留言板

尊敬的读者、作者、审稿人, 关于本刊的投稿、审稿、编辑和出版的任何问题, 您可以本页添加留言。我们将尽快给您答复。谢谢您的支持!

姓名
邮箱
手机号码
标题
留言内容
验证码

基于自抗扰算法的光电跟踪伺服控制方法研究

李禹希 张刘 陈思桐 孙丽涵 赵寰宇 张柯

李禹希, 张刘, 陈思桐, 孙丽涵, 赵寰宇, 张柯. 基于自抗扰算法的光电跟踪伺服控制方法研究[J]. 188bet网站真的吗 , 2022, 15(3): 562-567. doi: 10.37188/CO.2022-0090
引用本文: 李禹希, 张刘, 陈思桐, 孙丽涵, 赵寰宇, 张柯. 基于自抗扰算法的光电跟踪伺服控制方法研究[J]. 188bet网站真的吗 , 2022, 15(3): 562-567. doi: 10.37188/CO.2022-0090
LI Yu-xi, ZHANG Liu, CHEN Si-tong, SUN Li-han, ZHAO Huan-yu, ZHANG Ke. Photoelectric tracking servo control method based on active disturbance rejection algorithm[J]. Chinese Optics, 2022, 15(3): 562-567. doi: 10.37188/CO.2022-0090
Citation: LI Yu-xi, ZHANG Liu, CHEN Si-tong, SUN Li-han, ZHAO Huan-yu, ZHANG Ke. Photoelectric tracking servo control method based on active disturbance rejection algorithm[J]. Chinese Optics, 2022, 15(3): 562-567. doi: 10.37188/CO.2022-0090

基于自抗扰算法的光电跟踪伺服控制方法研究

cstr: 32171.14.CO.2022-0090
基金项目: 国家自然科学基金项目(No. 62073150; No. 62001185); 国家级大学生创新创业训练计划项目(No. 202110183268)
详细信息
    作者简介:

    李禹希(2002—),女,吉林长春人,主要从事航天光学遥感、伺服控制系统等研究工作。Email:liyx6519@mails.jlu.edu.cn

    张 刘(1978—),男,安徽蚌埠人,吉林大学唐敖庆领军教授,博士生导师。2007年于哈尔滨工业大学获得博士学位,主要从事新型航天光学遥感器设计、仿真及应用技术,星载一体优化控制技术等研究工作。Email:zhangliu@jlu.edu.cn

    赵寰宇(1990—),男,吉林长春人,博士,2018年于吉林大学获得博士学位,主要从事航天精密仪器结构设计与优化仿真等方面的研究。E-mail:zhaohyjlu@jlu.edu.cn

    张 柯(1979—)男,山东济南人,副研究员,主要从事航天遥感、伺服控制系统研究,Email:ciompzk@163.com

  • 中图分类号: TN29;

Photoelectric tracking servo control method based on active disturbance rejection algorithm

Funds: Supported by National Natural Science Foundation of China (No. 62073150; No. 62001185); National Training Program of Innovation and Entrepreneurship for Undergraduates(No. 202110183268)
More Information
  • 摘要: 为提高光电跟踪控制系统的跟踪速度和稳态精度,本文对光电跟踪伺服系统的控制方法进行了研究。首先,为了满足系统功能和性能指标要求,对伺服转台进行了结构设计。然后,设计自抗扰控制算法,得到了跟踪微分器、线性扩张状态观测器及状态误差反馈控制律。接着,在Matlab/Simulink中建立了基于自抗扰算法的跟踪伺服系统模型,位置环和速度环采取了二阶自抗扰控制策略,电流环采取了PI控制策略。仿真分析结果表明,定位跟踪时可实现无超调,并具有最快的响应速度,突加扰动时,动态降落最大值为3%,正弦跟踪误差小于0.02°。仿真结果验证了基于自抗扰控制算法的光电跟踪控制系统,在快速响应、稳态精度和抗扰性能等方面均具有较好的控制效果。

     

  • 图 1  伺服转台结构图

    Figure 1.  Structure diagram of servo turntable

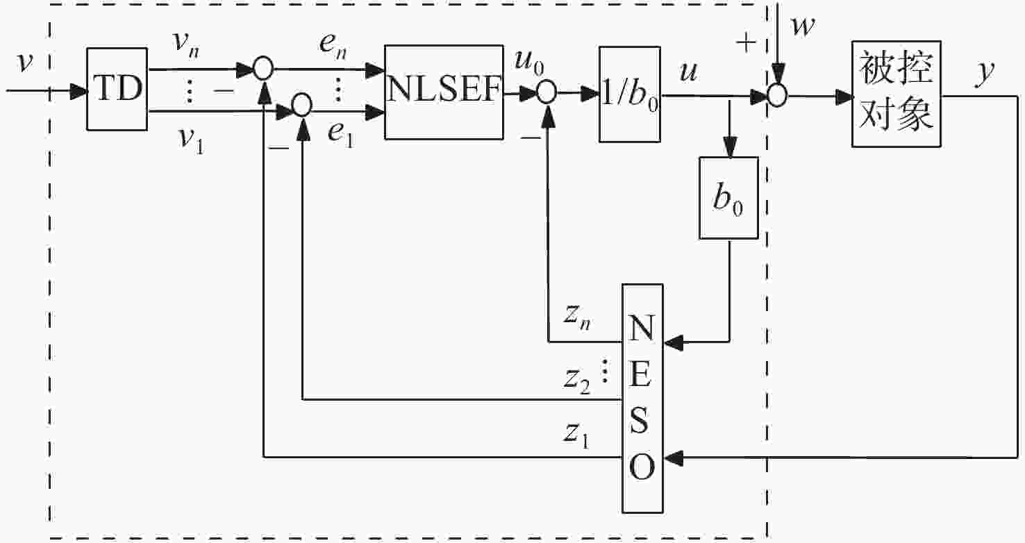
    图 2  自抗扰控制结构框图

    Figure 2.  Block diagram of active disturbance rejection control

    图 3  伺服控制系统仿真模型

    Figure 3.  Simulation model of servo control system

    图 4  阶跃信号下位置响应曲线

    Figure 4.  Position response curve under step signal

    图 6  阶跃信号下的电流响应曲线

    Figure 6.  Current response curve under step signal

    图 5  阶跃信号下的速度响应曲线

    Figure 5.  Velocity response curve under step signal

    图 7  正弦跟踪信号下的位置跟踪误差曲线

    Figure 7.  Position tracking error curve under sinusoidal tracking signal

    图 8  正弦跟踪信号下的电流响应曲线

    Figure 8.  Current response curve under sinusoidal tracking signal

    表  1  直流电机参数

    Table  1.   DC motor parameters

    俯仰轴方位轴
    电机型号NH85LYX-M1.4-E27NH73LYX-M0.45-E48
    峰值电压24 V48 V
    峰值电流1 A1.5 A
    峰值力矩0.18 N·m0.45 N·m
    最大空载转速1200 r/min1400 r/min
    下载: 导出CSV
    Baidu
  • [1] 黄宗卫, 范越. 基于改进PID算法的干扰设备控制方法研究[J]. 机电工程技术,2020,49(7):225-226. doi: 10.3969/j.issn.1009-9492.2020.07.079

    HUANG Z W, FAN Y. Research on control method of jamming equipment based on improved PID algorithm[J]. Mechanical &Electrical Engineering Technology, 2020, 49(7): 225-226. (in Chinese) doi: 10.3969/j.issn.1009-9492.2020.07.079
    [2] 邹冀, 伞晓刚, 李耀彬, 等. 光电经纬仪转台动态特性研究[J]. 金宝搏188软件怎么用 与红外,2019,49(1):93-98. doi: 10.3969/j.issn.1001-5078.2019.01.016

    ZOU J, SAN X G, LI Y B, et al. Dynamic characteristics study of opto-electronic theodolite turntable[J]. Laser &Infrared, 2019, 49(1): 93-98. (in Chinese) doi: 10.3969/j.issn.1001-5078.2019.01.016
    [3] 汤其剑. 高精度多轴稳定平台指向误差的分析与研究[D]. 天津: 天津大学, 2014.

    TANG Q J. Analysis and research of pointing error of high precision multi-axis stabilized platform[D]. Tianjin: Tianjin University, 2014. (in Chinese)
    [4] 邓科. 惯性稳定平台的建模分析与高精度控制[D]. 合肥: 中国科学技术大学, 2016.

    DENG K. Modelling analysis and high precision control of inertially stabilized platform[D]. Hefei: University of Science and Technology of China, 2016. (in Chinese)
    [5] 牛峰, 曹石然, 王尧, 等. PWM电机系统漏电流分析[J]. 电工技术学报,2019,34(8):1599-1606.

    NIU F, CAO SH R, WANG Y, et al. Analysis of leakage current in PWM motor system[J]. Transactions of China Electrotechnical Society, 2019, 34(8): 1599-1606. (in Chinese)
    [6] HAN J Q. From PID to active disturbance rejection control[J]. IEEE Transactions on Industrial Electronics, 2009, 56(3): 900-906. doi: 10.1109/TIE.2008.2011621
    [7] ANG K H, CHONG G, LI Y. PID control system analysis, design, and technology[J]. IEEE Transactions on Control Systems Technology, 2005, 13(4): 559-576. doi: 10.1109/TCST.2005.847331
    [8] ZHANG J Q, LIU Y K, GAO S J, et al. Control technology of ground-based laser communication servo turntable via a novel digital sliding mode controller[J]. Applied Sciences, 2019, 9(19): 4051. doi: 10.3390/app9194051
    [9] 赵瑞, 闫剑虹. 基于自抗扰控制的电流环控制器设计[J]. 微电机,2019,52(3):41-47. doi: 10.3969/j.issn.1001-6848.2019.03.010

    ZHAO R, YAN J H. Current loop controller design based on active disturbance rejection control[J]. Micromotors, 2019, 52(3): 41-47. (in Chinese) doi: 10.3969/j.issn.1001-6848.2019.03.010
    [10] 王卫兵. 光电跟踪伺服系统控制策略理论与实验研究[D]. 长春: 中国科学院长春光学精密机械与物理研究所, 2012.

    WANG W B. Research in theory and experiment of control strategies for opto-electronics tracking servo system[D]. Changchun: Changchun Institute of Optics, Fine Mechanics and Physics, Chinese Academy of Sciences, 2012. (in Chinese)
    [11] 慕巍, 张宝宜, 王新明, 等. 适用于光电跟踪仪的高速目标跟踪控制算法[J]. 金宝搏188软件怎么用 与红外,2020,50(4):468-474. doi: 10.3969/j.issn.1001-5078.2020.04.015

    MU W, ZHANG B Y, WANG X M, et al. High speed target tracking control algorithm for electro-optical tracker[J]. Laser &Infrared, 2020, 50(4): 468-474. (in Chinese) doi: 10.3969/j.issn.1001-5078.2020.04.015
    [12] 雷晓瑜, 曹广忠. TMS320F28335及其最小应用系统设计[J]. 电子设计工程,2009,17(1):91-92,95. doi: 10.3969/j.issn.1674-6236.2009.01.034

    LEI X Y, CAO G ZH. Design of TMS320F28335 and its minimum application system[J]. Electronic Design Engineering, 2009, 17(1): 91-92,95. (in Chinese) doi: 10.3969/j.issn.1674-6236.2009.01.034
    [13] 崔宁豪. 双轴跟踪转台伺服控制系统的建模及控制方法研究[D]. 合肥: 安徽大学, 2020.

    CUI N H. Research on modeling and control method of servo control system for dual-axis tracking turntable[D]. Hefei: Anhui University, 2020.
  • 加载中
图(8) / 表(1)
计量
  • 文章访问数:  882
  • HTML全文浏览量:  576
  • PDF下载量:  206
  • 被引次数: 0
出版历程
  • 收稿日期:  2022-04-07
  • 修回日期:  2022-04-21
  • 录用日期:  2022-05-07
  • 网络出版日期:  2022-05-08
  • 刊出日期:  2022-05-20

目录

    /

    返回文章
    返回
    Baidu
    map