Current Issue

Review
Research progress on the effects of atmospheric refraction and correction techniques
LI Yang, JING Xu, QIN Lai-an, CHENG Yi-lun, WANG Gang-yu, HOU Zai-hong
2025, 18(1): 1-16. doi: 10.37188/CO.2024-0101
Abstract:

This paper presents various aspects of atmospheric refraction to gain insight into the advances in this field. It divides the effects of atmospheric refraction into two categories: the visible-to-infrared bands used in research fields such as optical imaging, laser transmission, and optoelectronic tracking and the radio band used in radar measurements and satellite detection. The calculation formulas for these two bands are different in their practical treatment. This paper introduces the refractive index formulas according to the refractive index formula's development history and points out the limitations of each formula. The current best choice for the former formula is the one summarized by Rüeger scholars; for the latter, it is recommended to choose the radio refractive index formula in the Rec. ITU-R P.453-14. In addition, the relationship between the refractive index of the Earth's surface and altitude, reference data for the refractive index on a global scale, and statistical distributions for the calculation of the refractive index gradient are given in the recommendation. Finally, traditional calculation methods for obtaining atmospheric refraction and optical observation methods are presented. The former study is based on the modeling of atmospheric patterns or meteorological data, formulae for refractive indices in specific regions, or model fitting to satisfy accuracy in a single environment or on an average scale. The optical measurement method does not need an atmospheric model as a basis, nor does it rely on meteorological parameters. The measurement results of the data are real-time and more representative of the path. It can make up for some of shortcomings of the traditional methods, and is more in line with future development trend of the future.

Research progress in the phenomenon of exceptional point on passive non-Hermitian metasurfaces
ZHUO Yi-zhou, WEI Zhong-chao
2025, 18(1): 17-28. doi: 10.37188/CO.2024-0119
Abstract:

In non-Hermitian systems, controlling the gain or loss of the system can enable the system state transition from PT-symmetry to broken PT-symmetry. This transition leads to a special point known as the exceptional point, where the system eigenvalues and eigenstates become simultaneously degenerate. When combined with metasurfaces, the exceptional point leads to various intriguing optical phenomena, such as asymmetric transmission, exceptional topological phase, and the non-Hermitian skinning effect. However, active metasurfaces introducing gains are difficult to realize experimentally. Therefore, designing passive metasurfaces using equivalent gains through loss becomes a powerful tool in non-Hermitian research. In this paper, we review the theoretical models, research progress, specific applications, and experimental design in the study of the exceptional point on passive non-Hermitian metasurfaces and look forward to the future direction of this field.

Original Article
Research on pointing accuracy of liquid crystal phase array based on the variable period grating method
CAO Zong-xin, QIAN Yi-long, LIU Yu-tong, LI Kun, LI Zi-fan, GONG Jun-hao, HU Wu-sheng, ZHANG Da-wei, HONG Rui-jin, MAO Hong-min, LU Huan-jun, FAN Li-na, CAO Zhao-liang
2025, 18(1): 29-41. doi: 10.37188/CO.2024-0097
Abstract:

Liquid crystal optical phase array (LC OPA) is widely used in lidar, laser communication and laser weapons to scan and control laser beams. In order to optimize the design of LC OPA and high-precision laser beam control, we study the influence of working wavelength, number of pixels, pixel size, and effective grey levels on beam pointing accuracy. Firstly, according to the liquid crystal phase modulation principle , the effective scanning angle and diffraction efficiency of the period grating and the variable period grating methods are simulated and analyzed. Secondly, assuming the phase modulation to be equally divided by the driving voltage, the variation law of the pointing error with the working wavelength, the number of pixels, the pixel size, and the effective grey levels is simulated and analyzed. The multivariable universal formula is also derived. Thirdly, the pointing accuracy of the nonuniform phase modulation is simulated, analyzed, and compared with the results of the uniform phase modulation. Finally, the relationship between the effective grey levels and the pointing error is verified by experiments, and the validity of the empirical formula is preliminarily confirmed. The research results can provide a theoretical basis for the design of LC OPA.

Structured light surface shape measurement method for highly reflective surfaces
WANG Yun, GUO Jian-ying, LIANG Jun-zhe, ZHU Feng, CHEN Guang-xi, REN Mao-dong, LIANG Jin
2025, 18(1): 42-52. doi: 10.37188/CO.2024-0087
Abstract:

The complex reflective properties of highly reflective surfaces bring overexposure and underexposure problems to surface structured light technology. In order to reconstruct the measured surface completely and accurately, a multiple exposure method is proposed in this paper. The proposed method can predict the exposure time according to the reflective intensity of the measured surface. Firstly, the camera response curve of the imaging system is obtained by projecting a series of uniform gray images at different exposure times, and the irradiance image that can reflect the reflection intensity of the measured surface is calculated. Then, the fuzzy C-means clustering method is used to adaptively segment different irradiance regions of the target and obtain the central irradiance of each region. The optimal exposure time is predicted for different reflection regions based on the camera response curve. Finally, the 3D reconstruction of the highly reflective surface is realized by combining the multiple exposure fusion algorithm. The experimental results show that the proposed method can simultaneously reconstruct the strongly reflective area and the excessively dark area of the aluminum alloy surface, with a reconstruction error of less than 0.5 mm, the maximum deviation reduced by 74.78%, and the standard deviation reduced by 48.96%. The proposed method can correctly predict the exposure time according to regional reflection characteristics, effectively overcome the problems of phase loss and phase distortion caused by regional overexposure and regional darkness, and completely and accurately reconstruct different reflection regions of highly reflective surfaces.

Design and analysis of a double-layer trapezoidal groove of polarization-independent beam-combining gratings with high diffraction efficiency
SUN Ao, WANG Rui-Peng, SUN Yu-Qi, WANG Xin-Yu, LI Wen-Hao, JIANG Yan-Xiu
2025, 18(1): 53-62. doi: 10.37188/CO.2024-0083
Abstract:

In order to meet the needs of broad band, high diffraction efficiency, and polarization independence, a double-layer trapezoidal polarization-independent beam grating is proposed in this paper. Firstly, based on the strict coupled wave theory, a design model of polarization-independent combined beam grating based on a particle swarm optimization algorithm is established, and the efficiency characteristics are optimized by randomly generating characteristic wavelengths. Then, the effects of slot depth, width ratio, side angle, and other structural parameters on the diffraction efficiency and bandwidth of single-layer and double-layer trapezoidal grating are analyzed in detail. Finally, the electric field enhancement characteristics of the two structures are analyzed and discussed. The results show that the polarization independent beam combining grating with double-layer trapezoidal groove achieves a theoretical diffraction efficiency of more than 99% in the bandwidth range of 51 nm (1038 nm−1089 nm), and has a larger process tolerance than the traditional single-layer trapezoidal structure, which meets the bandwidth of 30 nm and the high diffraction efficiency of 98% in the tolerance range, and has lower near-field grating enhancement. It has a stronger resistance to laser damage. The proposed double-layer trapezoidal grating with wide band and high diffraction efficiency can improve the output power of laser systems, and has significant application value in the field of laser beam combination.

Fiber Bragg grating temperature and pressure sensor based on hinge lever structure
LIU Qiang, MA Chao, WEI Shu-hui, LIU Wei, WANG Jian-xin, LV Jing-wei, LV Ting-ting, LIU Chao
2025, 18(1): 63-69. doi: 10.37188/CO.2024-0090
Abstract:

In this paper, a high-sensitivity temperature and pressure sensor is designed. It utilizes a diaphragm to transfer pressure to a double-hinged lever structure and adopts a fiber Bragg grating (FBG1) as the strain sensor to measure pressure. The introduction of the double-hinged lever effectively improves the sensor's pressure measurement sensitivity. The sensor's measuring range is 0−18 MPa and the sensitivity is 453.16 pm/MPa. At the same time, another fiber Bragg grating (FBG2) is pasted on the lever to eliminate the temperature influence in the pressure measurement process and realize the simultaneous measurement of temperature and pressure. The sensor's temperature sensitivity is 10.41 pm/°C in the 25−65 °C range. Due to their anti-electromagnetic interference characteristics, optical fiber sensors are commonly used to measure temperature and pressure in harsh environments.

Design of a medium-wave infrared zoom optical system with low tolerance sensitivity, large zoom ratio, and extremely short total length
LI Yu-zhe, HU Yuan, HUO Jia-qi, ZHANG You-yu, GAO Tian-yuan
2025, 18(1): 70-77. doi: 10.37188/CO.2024-0095
Abstract:

In response to the current problem of difficulty in achieving extremely short total length and low sensitivity in medium wave infrared zoom systems under conditions of large zoom ratio and long focal length, we design a low-sensitivity medium wave infrared zoom optical system with a total length of only 337 mm and no need for folding optical paths, through the rational allocation of aspherical and diffractive surfaces, as well as adopting a low sensitivity design method for independent components. By reducing the aberration of each component, the system tolerance sensitivity is reduced. The system achieves a 30× zoom ratio and continuous zoom with a long focal length of 30-900 mm. The system has advantages such as a large zoom ratio, long focal length zoom, extremely short total length, low sensitivity, and good image quality within the entire focal length range. It has significant application advantages for military applications such as target recognition, tracking, and detection in narrow spaces.

Optimizing structural parameters of electrowetting triple-liquid lens based on joint simulation technology
HUANG Peng, SONG Yue, ZHOU Fei-Qiang, ZHOU Yi-Hang, HE Guo-Qiang, XIE Zhong-Yi, ZHANG Xin-Long
2025, 18(1): 78-88. doi: 10.37188/CO.2024-0130
Abstract:

The electrowetting triple-liquid lens has excellent zoom performance, but its structural complexity and design difficulty are relatively high. Therefore, we propose a method for optimizing the structural parameters of the electrowetting triple-liquid lens based on joint simulation. To design a triple-liquid lens, Comsol and Zemax software are used to establish triple-liquid lens simulation models under different structural parameters, and its focal lengths under different voltages are obtained. The effects of height and taper on zoom range and initial focal length are analyzed, and a set of structural parameters with the maximum zoom range and the longest initial focal length is determined. To verify the method’s reliability, we prepare the triple-liquid lens models with different heights and tapers, and conduct zoom experiments. The simulation and experimental results show that the initial focal length of the triple-liquid lens correlates positively with height and taper; the zoom range correlates positively with taper, but height is the main influencing factor. When the height is 12 mm and the taper is 20°, the lens has the most extensive zoom range and the longest initial focal length. When the taper is less than 15°, the simulation and experimental results are highly consistent.

Improved AO optimization algorithm for distortion parameter estimation of catadioptric omnidirectional lens
ZHANG Yue, ZHANG Ning, XU Xi-ping
2025, 18(1): 89-104. doi: 10.37188/CO.2024-0118
Abstract:

Aiming at the problems of low accuracy and easy to fall into local optimal solutions of the existing lens distortion parameter estimation methods, a catadioptric omnidirectional camera lens distortion parameter method based on the improved Aquila Optimization (AO) algorithm is proposed. Firstly, the optimization ability of the AO algorithm is enhanced by integrating chaotic mapping, adaptive adjustment strategy, and population optimization strategy, which solves the problems of slow convergence speed and proneness to falling into local optimal solutions. Secondly, the distribution range of distortion parameters is derived and determined by the corresponding distortion edges of straight lines in the space and the single parameter division model. Then, the optimization objective function containing the distortion parameters is constructed. Finally, the improved AO algorithm is used to find the best distortion parameters for the optimization objective function. After analyzing the correction results of standard gallery images and omnidirectional images, the method proposed in this paper estimates the main point error within 0.5 pixels and the radial aberration coefficient error within 2.5%. It can effectively estimate the lens aberration parameters and realize the omnidirectional image aberration correction. It improves the visual navigation system's image quality under the task of environment perception and is valuable in engineering applications.

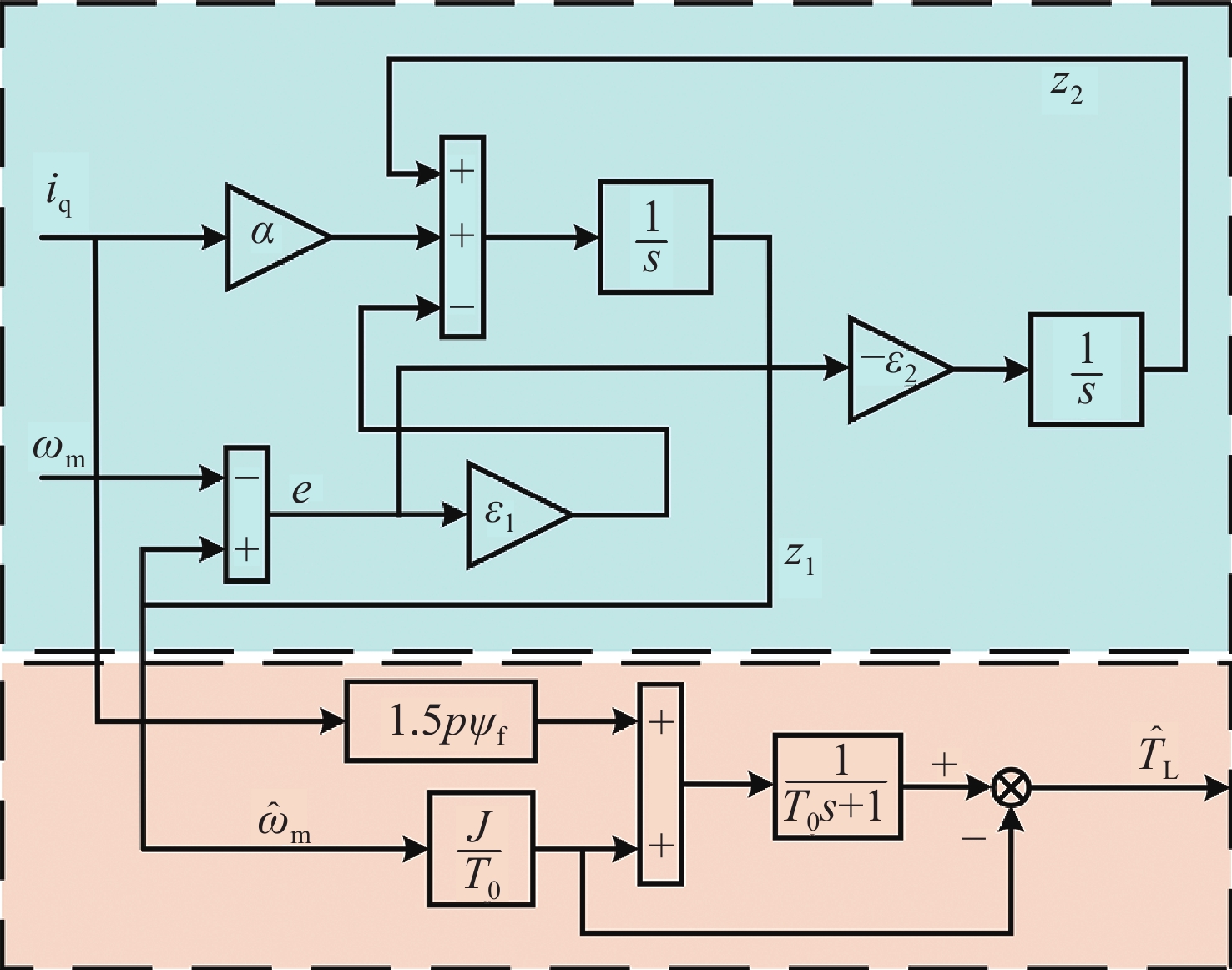
Improved integral sliding mode control strategy for the segmented arc permanent magnet synchronous motor based on dual observer
CAO Zhao-jin, SONG Xiao-li, FAN Ren-Qiu, ZHANG Chao
2025, 18(1): 105-113. doi: 10.37188/CO.2024-0085
Abstract:

With its high torque ratio and stable low-speed operation, the segmented arc permanent magnet synchronous motor (SAPMSM) provides high-performance drive technology support for large-aperture astronomical telescope observations. Improving the motor’s performance is challenging due to various internal and external interferences during its operation, such as parameter distortion, harmonics, etc. To this end, this paper proposes an integral sliding mode controller based on a new reaching law and a hybrid control strategy that combines an expanded state observer and a load observer, aiming to optimize the traditional sliding mode control and enhance the system’s anti-interference ability. The traditional reaching law has complicated parameters and cannot suppress chattering well. The new reaching law simplifies the parameters and effectively overcomes the system chattering. Second, an expanded state observer is used to estimate the feedback speed. Then, the q-axis current information and the estimated speed data are combined as the input of the load torque observer. This further improves the load observation performance and converts the load observation value into current for pre-processing. Feedback compensation is used to improve the motor’s anti-interference performance. Simulation and experimental results show that the proposed dual observer method can effectively observe the motor's speed and load, significantly enhancing the motor’s ability to resist load disturbances. At the same time, the new sliding mode speed controller reduces the motor speed overshoot and suppresses the buffeting of the sliding mode to a certain extent, providing theoretical and experimental support for arc motors in high-precision observation applications of large-aperture astronomical telescopes.

Nonlinear equalizer based on neural network in high-speed optical fiber communication systems
ZHAO Han-qi, LI Na, WU Bin, WU Gui-long, CHEN Yi-tong, FENG Xiao-fang, HE Pei-li, LI Wei
2025, 18(1): 114-120. doi: 10.37188/CO.2024-0114
Abstract:

In order to achieve low complexity balancing of nonlinear damage at the receiver of short-range fiber optic data communication systems, we propose an equalization structure named Decision Feedback Neural Network which introduce the Decision Feedback Structure into the Fully Connected Neural Network. The nonlinear distortion is introduced by using a photodetector with a linear working area that does not match the experimental system. The experimental system is built based on a 56 Gbit/s PAM4 with a C-band direct-modulated laser, and we compare the equalization performance of decision feedback neural network with other equalization schemes. Experimental results show that compared with the fully connected neural network, the improved scheme achieves a sensitivity improvement of 2 dB at 20 km transmission, and the equalization performance is close to the convolutional neural network with lower complexity. This paper has great significance for the rate and capacity upgrade of short-distance optical fiber communication system, and can be used as a reference for further scientific research and industrial application.

Design of constant bias fault observer for fast steering mirrors
LI Zhi-bin, PAN Jia-nan, SUN Chong-shang, WU Jia-bin
2025, 18(1): 121-133. doi: 10.37188/CO.2024-0136
Abstract:

Fast steering mirror (FSM) typically operates in harsh environments, susceptible to vibrations, temperature fluctuations, and other factors, which can lead to malfunctions. Focusing on the most prevalent constant bias fault, this paper proposes an LMI-based fault observer design method, aiming to enhance the reliability of fault detection and strengthen the stability and anti-interference capabilities of the FSM. Firstly, the model identification method based on Hankel matrix is employed to identify the two-axis fast steering mirror model including the coupling effect. Then, the fault model of the fast steering mirror system is established, and the fault observer of the fast steering mirror is designed by using the LMI-based method. Finally, the proposed method is verified through simulations and experiments. The results indicate that when both axes of the fast steering mirror have constant bias faults in the actuators and sensors, the Riccati-based fault observer can only detect the fault in one axis, while the LMI-based fault observer can detect faults within 0.1 seconds after the fault of the X-axis occurs, and detect faults within 0.06 seconds after the fault of the Y-axis occurs. Therefore, the fault observer designed by the LMI method proposed in this paper can improve the fault detection performance of the fast steering mirror.

United calibration method for ship-borne radiation measuring system based on ambient temperature self-adaptive correction
SUN Xiao-dong, CHEN De-ming, YANG Guo-qing, SU Yan, ZHAO Li-jian
2025, 18(1): 134-141. doi: 10.37188/CO.2024-0108
Abstract:

As an important component of the information database, infrared data has been extensive used in night vision, weapon guidance, long-range early warning systems and more. Shipborne infrared radiation characteristic measuring systems work in the marine environment, where the variation in temperature and humidity is vast. In view of the fact that variation in ambient temperature greatly affects the measuring system, this paper presents an internal and external united calibration method based on ambient temperature self-adaptive correction. It corrects temperature influence through self-adaptive interpolation, thus confirming the validity of the proposed measuring system for sensibility and responsive characteristics of external targets. Radiant calibration in different infrared wavebands has been implemented by the measuring system, serial temperatures have been set in each integrating time to calibrate and fit, and the method's effectiveness has been determined by error statistics. Meanwhile, the radiation characteristics of high-precision blackbody and aquatic targets are inversed. As a result, the minimum and the maximum errors obtained for blackbody measuring precision were 6.82% and 10.21%, respectively. The high confidence coefficient for measured radiant inversion value verifies the effectiveness and application prospects of the calibration method presented in this paper.

Scintillation index analysis of radial Gaussian vortex beam array propagation in the atmosphere
ZHANG Yan-na, OU Jun, CHI Hao, YANG Shu-na
2025, 18(1): 142-149. doi: 10.37188/CO.2024-0098
Abstract:

Beam arrays have great application value in free-space optical communication. In this paper, the light intensity evolution and the on-axis scintillation index of radial Gaussian vortex beam arrays propagating through atmospheric turbulence are analyzed using multi-phase screen simulation. The effect of initial beam parameters on the on-axis scintillation index of radial Gaussian vortex beam arrays is studied, and the on-axis scintillation index of radial Gaussian vortex beam arrays is compared with that of a single Gaussian vortex beam. The results indicate that in the weak fluctuation regime and when the rytov index is less than 0.5, the on-axis scintillation index of Gaussian vortex beams remains within a numerical range of less than 1, while the on-axis scintillation index of radial Gaussian vortex beam arrays is around 1. In the medium fluctuation regime, the on-axis scintillation index of the radial Gaussian vortex beam arrays is smaller than that of a single Gaussian vortex beam. The on-axis scintillation index of radial Gaussian vortex beam arrays decreases with the decrease of orbital angular momentum and the increase of radial array radius. The research results hold theoretical significance and application value for vortex optical communication in turbulent atmospheric environments.

Design of the central support structure of a large aperture mirror with a wide working temperature
YUAN Jian, PEI Si-yu, HUO Zhan-wei, ZHANG Guan-chen, ZHANG Lei
2025, 18(1): 150-159. doi: 10.37188/CO.2024-0060
Abstract:

In order to improve the communication quality of LEO-OGS laser links, commercial ground station telescopes equipped with large aperture primary mirrors must be able to withstand extreme outdoor temperature. A central support scheme using room-temperature vulcanizing silicone rubber was proposed for a high-precision primary mirror with an optical aperture of 500 mm. The mirror is made of microcrystal material, and both of the bushing and the supporting cylinder are made of titanium alloy. A 1-mm-thick adhesive layer is used, which can effectively reduce the thermal stress inside the assembly during temperature changes while unloading the gravity of the mirror blank. The thickness and height of the adhesive layer are determined by optimization. A specially designed fixture can accurately control the shape and thickness of the adhesive layer. The ventilation holes on the bushing promote its full solidification. Simulation analysis indicates that the surface shape accuracy of the primary mirror is 4.199 nm in RMS under 40 °C temperature variation, with 13.748 nm under vertical gravity and 4.187 nm under horizontal gravity, accompanied by the maximum mirror inclination and displacement of 4.722" and 3.597 μm, and the fundamental frequency of the assembly reaches 53.45 Hz. The measured surface shape accuracy of the primary mirror is RMS 0.017λ (λ=632.8 nm). The surface can maintain high precision after extensive heat cycling tests and vacuum coating. The central support structure can significantly improve the temperature adaptability of precise mirrors and has broad application prospects in large-scale ground optoelectronic equipment.

Non-destruction detection of jelly orange granulation disease using laser Doppler vibrometry
LIU Zhi, LAI Qing-rong, ZHANG Tian-yu, LI Bin, SONG Yun-feng, CHEN Nan
2025, 18(1): 160-169. doi: 10.37188/CO.2024-0115
Abstract:

Granulation is a common internal disease of citrus fruits, and it is difficult to identify the fruits with this disease from their external features. In this study, an acoustic vibration experimental setup was constructed using a micro-laser Doppler vibrometer (micro-LDV) and a resonance speaker. This was used to collect vibration response signals of ‘Aiyuan 38’ jelly orange. The one-dimensional vibration response signals were converted into vibration multi-domain images, and a Resnet-Transformer network (ResT) was constructed to extract deeper features from the vibration multi-domain images for identifying granulation disease in jelly oranges. In this paper, the ResT, Resnet50, and Vision Transformer (ViT) models were trained using vibration multi-domain images, and their performances were compared. Then, partial least squares discriminant analysis (PLS-DA) and support vector machine (SVM) models were trained using vibration multi-domain image texture features or vibration spectrum features, and the performance was compared with the ResT model. The results show that the ResT model trained using vibration multi-domain images can achieve accurate identification of jelly orange granulation disease with detection accuracy of 98.61%, model F1 of 0.986, precision of 0.986, and recall of 0.986. The proposed method can accurately identify granulated jelly oranges with simplicity, fast speed, and low cost.

Modeling and sliding mode control based on inverse compensation of piezo-positioning system
LI Zhi-bin, XIN Yuan-ze, ZHANG Jian-qiang, SUN Chong-shang
2025, 18(1): 170-185. doi: 10.37188/CO.EN-2024-0012
Abstract:

In order to enhance the control performance of piezo-positioning system, the influence of hysteresis characteristics and its compensation method are studied. Hammerstein model is used to represent the dynamic hysteresis nonlinear characteristics of piezo-positioning actuator. The static nonlinear part and dynamic linear part of the Hammerstein model are represented by models obtained through the Prandtl-Ishlinskii (P-I) model and Hankel matrix system identification method, respectively. This model demonstrates good generalization capability for typical input frequencies below 200 Hz. A sliding mode inverse compensation tracking control strategy based on P-I inverse model and integral augmentation is proposed. Experimental results show that compared with PID inverse compensation control and sliding mode control without inverse compensation, the sliding mode inverse compensation control has a more ideal step response and no overshoot, moreover, the settling time is only 6.2 ms. In the frequency domain, the system closed-loop tracking bandwidth reaches 119.9 Hz, and the disturbance rejection bandwidth reaches 86.2 Hz. The proposed control strategy can effectively compensate the hysteresis nonlinearity, and improve the tracking accuracy and anti-disturbance capability of piezo-positioning system.

Effect of GaInP and GaAsP inserted into waveguide/barrier interface on carrier leakage in InAlGaAs quantum well 808-nm laser diode
FU Meng-jie, DONG Hai-liang, JIA Zhi-gang, JIA Wei, LIANG Jian, XU Bing-she
2025, 18(1): 186-197. doi: 10.37188/CO.EN-2024-0006
Abstract:

There is nonradiative recombination in waveguide region owing to severe carrier leakage, which in turn reduces output power and wall-plug efficiency. In this paper, we designed a novel epitaxial structure, which suppresses carrier leakage by inserting n-Ga0.55In0.45P and p-GaAs0.6P0.4 between barriers and waveguide layers, respectively, to modulate the energy band structure and to increase the height of barrier. The results show that the leakage current density reduces by 87.71%, compared to traditional structure. The nonradiative recombination current density of novel structure reduces to 37.411 A/cm2, and the output power reaches 12.80 W with wall-plug efficiency of 78.24% at an injection current density 5 A/cm2 at room temperature. In addition, the temperature drift coefficient of center wavelength is 0.206 nm/°C at the temperature range from 5 °C to 65 °C, and the slope of fitted straight line of threshold current with temperature variation is 0.00113. The novel epitaxial structure provides a theoretical basis for achieving high-power laser diode.

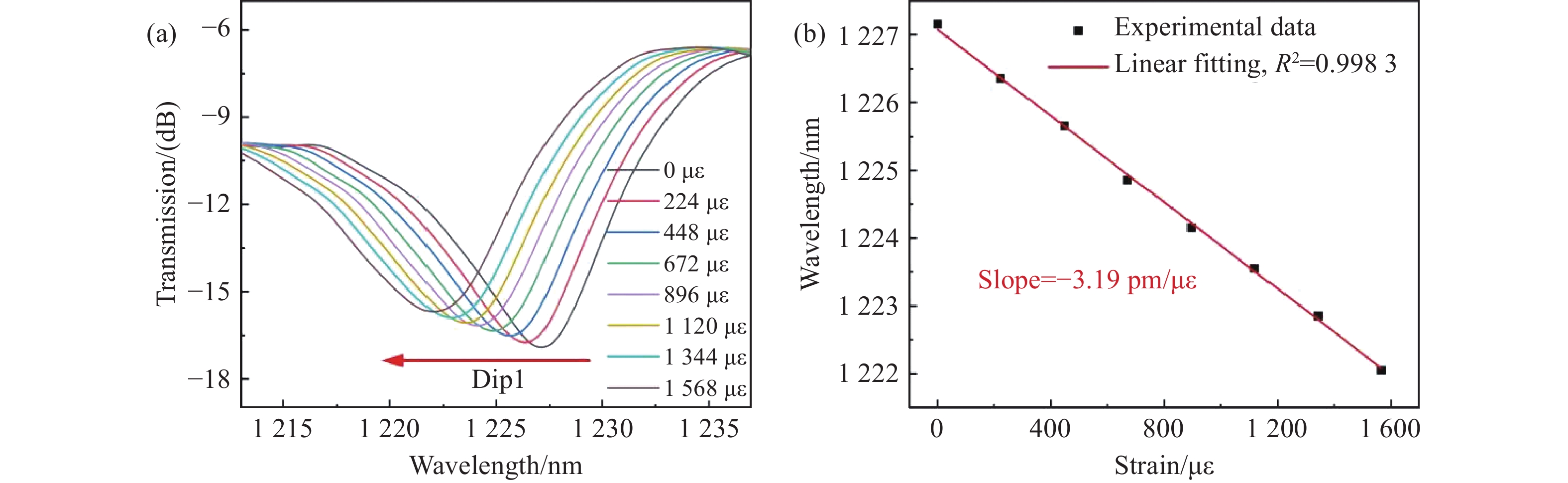
Preparation and sensing characteristics of long-period fiber gratings based on periodic microchannels
SUN Cai, LI Yuan-jun, YANG He-er, PAN Xue-peng, LIU Shan-ren, WANG Bo, GAO Meng-meng, GUO Qi, YU Yong-sen
2025, 18(1): 198-205. doi: 10.37188/CO.EN-2024-0005
Abstract:

Long-period fiber gratings have the advantages of small size, corrosion resistance, anti-electromagnetic interference, and high sensitivity, making them widely used in biomedicine, the power industry, and aerospace. This paper develops a long-period fiber grating sensor based on periodic microchannels. First, a series of linear structures were etched in the cladding of a single-mode fiber by femtosecond laser micromachining. Then, the laser-modified region was selectively eroded by selective chemical etching to obtain the periodic microchannel structure. Finally, the channels were filled with polydimethylsiloxane (PDMS) to improve the spectral quality. The experimental results show that the sensor has good sensitivity in the measurement of various parameters such as temperature, stress, refractive index (RI), and bending. It has a temperature sensitivity of −55.19 pm/°C, a strain sensitivity of −3.19 pm/με, a maximum refractive index sensitivity of 540.28 nm/RIU, and a bending sensitivity of 2.65 dB/m−1. All of the measurement parameters show good linear responses. The sensor has strong application prospects in the field of precision measurement and sensing.

Baidu
map