Volume 18 Issue 3
May  2025
Turn off MathJax
Article Contents
CHEN Pei-quan, DENG Ru-jie, ZHANG Yi-bin, LI Pan, QI Ke-qi, LIU He-shan, LUO Zi-ren. Pseudo-random code selection for inter-satellite laser ranging and data communication in the Taiji program[J]. Chinese Optics, 2025, 18(3): 547-556. doi: 10.37188/CO.2024-0033
Citation: CHEN Pei-quan, DENG Ru-jie, ZHANG Yi-bin, LI Pan, QI Ke-qi, LIU He-shan, LUO Zi-ren. Pseudo-random code selection for inter-satellite laser ranging and data communication in the Taiji program[J]. Chinese Optics, 2025, 18(3): 547-556. doi: 10.37188/CO.2024-0033

Pseudo-random code selection for inter-satellite laser ranging and data communication in the Taiji program

cstr: 32171.14.CO.2024-0033
Funds:  Supported by the National Key Research and Development Program (No. 2021YFC2202902, No. 2020YFC2200104)
More Information
  • Corresponding author: luoziren@imech.ac.cn
  • Received Date: 06 Feb 2024
  • Rev Recd Date: 29 Feb 2024
  • Accepted Date: 15 Apr 2024
  • Available Online: 22 Jan 2025
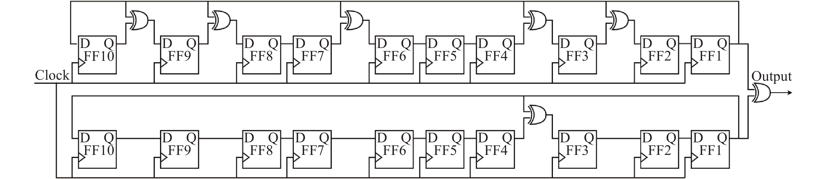
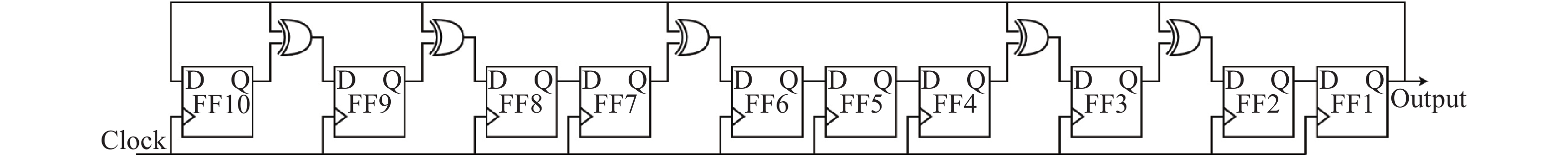
  • The Taiji program aims to achieve inter-satellite laser communication and absolute distance measurement using spread spectrum phase modulation technology based on the interferometric laser link. The selection of pseudo-random codes is the initial step in the design and implementation of the ranging and communication system, which requires comprehensive research and comparison of various aspects, including the implementation principles, correlation properties, and ranging error functions associated with different pseudo-random codes. This paper first elucidates the generation principles of m-sequences, Gold sequences, and Weil sequences. Pseudo-random sequences are generated using different hardware structures such as Fibonacci, Galois, and register addressing. The hardware circuits for Gold and Weil sequence generation are implemented on an FPGA development platform. The GPS C/A code is used as the Gold sequence, which facilitates its comparison and analysis with the Weil sequence. An analysis of the resource consumption and complexity of different hardware implementation methods is performed. Then, correlation values and root mean square errors are calculated to compare the pseudorandom noise performance of the Gold and Weil sequences. Finally, an error function for ranging is constructed based on the ranging principles and the intersymbol interference phenomenon after laser interference. This function is then compared with the ideal error function to evaluate the advantages and disadvantages of using different pseudorandom codes for ranging. The analysis reveals that Weil sequences demonstrate superior performance, exhibiting a sidelobe range of −60.27 dB to −24.01 dB, an autocorrelation rms of 0.303, and a cross-correlation rms of 0.307, outperforming Gold sequences in all metrics. Additionally, Weil sequences require only 30% of the hardware resources of Gold sequences and have a smaller error function deviation. Weil sequences are better suited to the laser ranging and data communication requirements of the Taiji program.

     

  • loading
  • [1]
    HU W R, WU Y L. The Taiji Program in Space for gravitational wave physics and the nature of gravity[J]. National Science Review, 2017, 4(5): 685-686. doi: 10.1093/nsr/nwx116
    [2]
    罗子人, 张敏, 靳刚, 等. 中国空间引力波探测“太极计划”及“太极1号”在轨测试[J]. 深空探测学报,2020,7(1):3-10.

    LUO Z R, ZHANG M, JIN G, et al. Introduction of Chinese space-borne gravitational wave detection program "Taiji" and "Taiji-1" satellite mission[J]. Journal of Deep Space Exploration, 2020, 7(1): 3-10. (in Chinese).
    [3]
    BAYLE J B, BONGA B, CAPRINI C, et al. Overview and progress on the Laser Interferometer Space Antenna mission[J]. Nature Astronomy, 2022, 6(12): 1334-1338. doi: 10.1038/s41550-022-01847-0
    [4]
    ARMANO M, AUDLEY H, BAIRD J, et al. Sensor noise in LISA Pathfinder: an extensive in-flight review of the angular and longitudinal interferometric measurement system[J]. Physical Review D, 2022, 106(8): 082001. doi: 10.1103/PhysRevD.106.082001
    [5]
    LUO J, CHEN L SH, DUAN H Z, et al. TianQin: a space-borne gravitational wave detector[J]. Classical and Quantum Gravity, 2016, 33(3): 035010. doi: 10.1088/0264-9381/33/3/035010
    [6]
    Huang X Q, Wang G F, Yang M L, et al. Study on picometer-level laser interferometer readout system in TianQin project[J]. Optics & Laser Technology, 2023, 161: 109185.
    [7]
    WU H ZH, XU M Y, WANG P P, et al. Time delay interferometry with a transfer oscillator[J]. Optics Letters, 2023, 48(1): 9-12. doi: 10.1364/OL.473812
    [8]
    刘河山, 高瑞弘, 罗子人, 等. 空间引力波探测中的绝对距离测量及通信技术[J]. 中国光学,2019,12(3):486-492.

    LIU H SH, GAO R H, LUO Z R, et al. Laser ranging and data communication for space gravitational wave detection[J]. Chinese Optics, 2019, 12(3): 486-492. (in Chinese).
    [9]
    DELGADO E, JOSÉ J. Laser Ranging and Data Communication for the Laser Interferometer Space Antenna[M]. Granada: Universidad de Granada, 2012.
    [10]
    辜方林, 彭进霖, 黄育侦, 等. 新型直接序列扩频通信方法[J]. 通信学报,2023,44(12):78-85. doi: 10.11959/j.issn.1000-436x.2023233

    GU F L, PENG J L, HUANG Y ZH, et al. Novel direct sequence spread spectrum communication method[J]. Journal on Communications, 2023, 44(12): 78-85. (in Chinese). doi: 10.11959/j.issn.1000-436x.2023233
    [11]
    ESTEBAN J J, BYKOV I, MARÍN A F G, et al. Optical ranging and data transfer development for LISA[J]. Journal of Physics: Conference Series, 2009, 154: 012025. doi: 10.1088/1742-6596/154/1/012025
    [12]
    XIE S Y, ZENG H Y, PAN Y H, et al. Bi-directional PRN laser ranging and clock synchronization for TianQin mission[J]. Optics Communications, 2023, 541: 129558. doi: 10.1016/j.optcom.2023.129558
    [13]
    邓汝杰, 张艺斌, 刘河山, 等. 太极计划中的星间金宝搏188软件怎么用 测距地面电子学验证[J]. 中国光学(中英文),2023,16(4):765-776.

    DENG R J, ZHANG Y B, LIU H SH, et al. Ground electronics verification of inter-satellites laser ranging in the Taiji program[J]. Chinese Optics, 2023, 16(4): 765-776. (in Chinese).
    [14]
    张艺斌, 邓汝杰, 刘河山, 等. 太极计划星间金宝搏188软件怎么用 通信参数设计及实验验证[J]. 中国金宝搏188软件怎么用 ,2023,50(23):2306002.

    ZHANG Y B, DENG R J, LIU H SH, et al. Parameter design and experimental verification of Taiji program inter-satellite laser communication[J]. Chinese Journal of Lasers, 2023, 50(23): 2306002. (in Chinese).
    [15]
    谢钢. GPS原理与接收机设计[M]. 北京: 电子工业出版社, 2009.

    XIE G. Principles of GPS and Receiver Design[M]. Beijing: Publishing House of Electronics Industry, 2009. (in Chinese).
    [16]
    赖文, 黄观文, 解世超, 等. 北斗三号B1C/B2a新信号精密定轨性能分析[J]. 大地测量与地球动力学,2023,43(2):158-163.

    LAI W, HUANG G W, XIE SH CH, et al. Performance analysis of precise orbit determination for BDS-3 B1C/B2a new signal[J]. Journal of Geodesy and Geodynamics, 2023, 43(2): 158-163. (in Chinese).
    [17]
    樊昌信, 曹丽娜. 通信原理[M]. 7版. 北京: 国防工业出版社, 2012.

    FAN CH X, CAO L N. Principles of Communications[M]. 7th ed. Beijing: National Defense Industry Press, 2012. (in Chinese).
    [18]
    瞿智, 杨俊, 陈建云. 伪码测距抗干扰容限分析[J]. 宇航学报,2014,35(12):1450-1456. doi: 10.3873/j.issn.1000-1328.2014.12.015

    QU ZH, YANG J, CHEN J Y. Analysis of anti-jamming margin of pseudo-random code ranging[J]. Journal of Astronautics, 2014, 35(12): 1450-1456. (in Chinese). doi: 10.3873/j.issn.1000-1328.2014.12.015
  • 加载中

Catalog

    通讯作者: 陈斌, bchen63@163.com
    • 1. 

      沈阳化工大学材料科学与工程学院 沈阳 110142

    1. 本站搜索
    2. 百度学术搜索
    3. 万方数据库搜索
    4. CNKI搜索

    Figures(10)  / Tables(1)

    Article views(440) PDF downloads(66) Cited by()
    Proportional views
    Related

    /

    DownLoad:  Full-Size Img  PowerPoint
    Return
    Return
    Baidu
    map