Volume 18 Issue 3
May  2025
Turn off MathJax
Article Contents
DU Xin, FU Xiu-hua, DONG Suo-tao, PAN Yong-gang, WANG You-de, XIE Hai-feng. Variable coupling dynamic monitoring and compensation technology of optical film thickness[J]. Chinese Optics, 2025, 18(3): 467-476. doi: 10.37188/CO.2024-0174
Citation: DU Xin, FU Xiu-hua, DONG Suo-tao, PAN Yong-gang, WANG You-de, XIE Hai-feng. Variable coupling dynamic monitoring and compensation technology of optical film thickness[J]. Chinese Optics, 2025, 18(3): 467-476. doi: 10.37188/CO.2024-0174

Variable coupling dynamic monitoring and compensation technology of optical film thickness

cstr: 32171.14.CO.2024-0174
Funds:  Supported by National Natural Science Foundation of China (No. 62127813); Zhongshan Introduces Innovative Team Program (No. CXTD2023008); Zhongshan Social Welfare Science and Technology Research Program (No. 2022B2005)
More Information
  • Corresponding author: goptics@126.com
  • Received Date: 27 Sep 2024
  • Rev Recd Date: 28 Oct 2024
  • Available Online: 07 Mar 2025
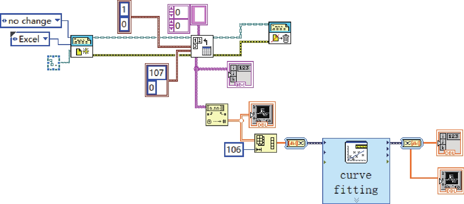
  • To address issues related to the accurate control of infrared band film thickness and precise wavelength positioning, we employ the LabVIEW programming language to develop a dynamic monitoring and compensation technology for optical film thickness, based on an optical film thickness monitoring system. Based on the principles of light interference and optical thin film design, a mathematical model is constructed using the photoelectric polarimetric method. We focus on resolving stopping errors and filtering noise at extremum points, thereby accurately restoring the real-time monitoring data of light intensity. The system achieves real-time and synchronous fitting of the film’s transmittance curve, calculates and fits the stopping point corresponding to the extremum of the film thickness. To validate the reliability and stability of the optical control system, a 1064 nm narrow-band filter film was fabricated. The results indicate that the peak transmittance of the 1064 nm narrow-band filter film reached 91.5%, with a pass-band half-width of 5 nm. The error of the monitoring system was calculated to be less than 0.01%.

     

  • loading
  • [1]
    农洁, 张伊祎, 韦雪玲, 等. 电介质/金属/电介质膜系实现可见光波段高透兼容金宝搏188软件怎么用 隐身研究[J]. 物理学报,2023,72(17):177802. doi: 10.7498/aps.72.20230855

    NONG J, ZHANG Y W, WEI X L, et al. Research on realizing high permeability and laser stealth compatibility in visible light band with dielectric/metal/dielectric film system[J]. Acta Physica Sinica, 2023, 72(17): 177802. (in Chinese). doi: 10.7498/aps.72.20230855
    [2]
    张静, 刘海成, 付秀华, 等. 5G通信LWDM窄带滤光膜的研制[J]. 中国金宝搏188软件怎么用 ,2023,50(19):1903101. doi: 10.3788/CJL221491

    ZHANG J, LIU H CH, FU X H, et al. Development of LWDM narrow-band filter membrane for 5G communication[J]. Chinese Journal of Lasers, 2023, 50(19): 1903101. (in Chinese). doi: 10.3788/CJL221491
    [3]
    郭志帅, 费书国, 李新, 等. 用于金宝搏188软件怎么用 雷达传感系统的光学薄膜滤光片的设计[J]. 电子技术与软件工程,2022(7):152-155.

    GUO ZH SH, FEI SH G, LI X, et al. Design of optical thin-film filters for LiDAR sensing systems[J]. Electronic Technology & Software Engineering, 2022(7): 152-155. (in Chinese).
    [4]
    崔智超. 检测SF6气体用窄带滤光片设计与制备[D]. 镇江: 江苏大学, 2022.

    CUI ZH CH. Design and preparation of narrowband filter for detecting SF6 gas[D]. Zhenjiang: Jiangsu University, 2022. (in Chinese).
    [5]
    蔡元浩, 付秀华, 林兆文, 等. 深紫外高陡度滤光膜的研制[J]. 光学学报,2024,44(7):0731001. doi: 10.3788/AOS231921

    CAI Y H, FU X H, LIN ZH W, et al. Preparation of deep ultraviolet high-steepness filter film[J]. Acta Optica Sinica, 2024, 44(7): 0731001. (in Chinese). doi: 10.3788/AOS231921
    [6]
    高晓丹, 刘岚, 姚敏, 等. 45°倾斜应用的多通道干涉截止滤光片研制[J]. 传感器与微系统,2024,43(2):110-112.

    GAO X D, LIU L, YAO M, et al. Research and fabrication of multi-channel interference cut-off filter for 45° tilt application[J]. Transducer and Microsystem Technologies, 2024, 43(2): 110-112. (in Chinese).
    [7]
    王晓坤, 李周, 梁国龙. 基于金属-介质-金属的可调谐窄带完美吸收的研究[J]. 中国光学(中英文),2024,17(2):263-270. doi: 10.37188/CO.2023-0125

    WANG X K, LI ZH, LIANG G L. Tunable narrow-band perfect absorber based on metal-dielectric-metal[J]. Chinese Optics, 2024, 17(2): 263-270. (in Chinese). doi: 10.37188/CO.2023-0125
    [8]
    TIKHONRAVOV A V, TRUBETSKOV M K. Elimination of cumulative effect of thickness errors in monochromatic monitoring of optical coating production: theory[J]. Applied Optics, 2007, 46(11): 2084-2090. doi: 10.1364/AO.46.002084
    [9]
    董所涛. 高精度宽光谱光学膜厚监控系统的研究[D]. 长春: 长春理工大学, 2023.

    DONG S T. Study on high precision and wide spectrum optical thin film monitoring system[D]. Changchun: Changchun University of Science and Technology, 2023. (in Chinese).
    [10]
    ZHANG CH, WANG Y T, LU W Q. Single-wavelength monitoring method for optical thin-film coating[J]. Optical Engineering, 2004, 43(6): 1439-1444. doi: 10.1117/1.1719027
    [11]
    白胜元, 顾培夫, 刘旭, 等. 薄膜滤光片的光学稳定性研究[J]. 光子学报,2001,30(5):576-580.

    BAI SH Y, GU P F, LIU X, et al. Optical stability of thin film filters[J]. Acta Photonica Sinica, 2001, 30(5): 576-580. (in Chinese).
    [12]
    顾培夫. 薄膜技术[M]. 杭州: 浙江大学出版社, 1990: 249-259.

    GU P F. Thin Film Technology[M]. Hangzhou: Zhejiang University Press, 1990: 249-259. (in Chinese).
    [13]
    马运壮. 瑞利衰落信道下自动调制识别算法研究[D]. 青岛: 青岛大学, 2023.

    MA Y ZH. Research on automatic modulation identification algorithm under Rayleigh fading channel[D]. Qingdao: Qingdao University, 2023. (in Chinese).
    [14]
    李筠, 梁坤, 杨海马, 等. 高精度钢轨端面坡度测量算法研究[J]. 电子测量与仪器学报,2022,36(9):29-36.

    LI J, LIANG K, YANG H M, et al. Research on high precision slope measurement algorithm for rail end face[J]. Journal of Electronic Measurement and Instrumentation, 2022, 36(9): 29-36. (in Chinese).
    [15]
    杨玉好, 杨斌, 胡军, 等. 基于MHA-BiLSTM的尾矿坝位移预测[J]. 有色金属工程,2024,14(10):147-157.

    YANG Y H, YANG B, HU J, et al. Study on prediction of tailings dam deformation based on MHA-BiLSTM[J]. Nonferrous Metals Engineering, 2024, 14(10): 147-157. (in Chinese).
  • 加载中

Catalog

    通讯作者: 陈斌, bchen63@163.com
    • 1. 

      沈阳化工大学材料科学与工程学院 沈阳 110142

    1. 本站搜索
    2. 百度学术搜索
    3. 万方数据库搜索
    4. CNKI搜索

    Figures(15)  / Tables(1)

    Article views(456) PDF downloads(72) Cited by()
    Proportional views
    Related

    /

    DownLoad:  Full-Size Img  PowerPoint
    Return
    Return
    Baidu
    map