2022 Vol. 15, No. 4

Review
Research progress of optical fiber Fabry-Perot interferometer high temperature sensors
LI Ai-wu, SHAN Tian-qi, GUO Qi, PAN Xue-peng, LIU Shan-ren, CHEN Chao, YU Yong-sen
2022, 15(4): 609-624. doi: 10.37188/CO.2021-0219
Abstract:

The high temperature sensor of the optical fiber Fabry-Perot interferometer has the advantages of small size, a simple manufacturing process, high sensitivity, high temperature resistance and anti-electromagnetic interference, which make it widely used in the aerospace energy industry, environmental monitoring and other fields. Firstly, this paper introduces the sensing principle, sensing performance, sensing characteristics and fabrication method of optical fiber Fabry-Perot interferometer high temperature sensors. Secondly, the temperature, pressure and strain sensitivity and measurement range are summarized and the domestic and foreign research progress and the performance parameters of optical fiber Fabry-Perot interferometer high temperature sensors are summarized. Thirdly, the cross-sensitivity problems of temperature and pressure of optical fiber Fabry-Perot interferometer sensors and it’s solutions, and the high-temperature sensing characteristics of Fabry-Perot interferometers based on different kinds of optical fibers are introduced. Fourthly, according to the recent research progress of fiber Fabry-Perot interferometer high temperature sensors, several fiber Fabry-Perot interferometer high temperature sensors for two-parameter measurement are introduced. Finally, the future development trend and prospect of optical fiber Fabry-Perot interferometer high temperature sensors are prospected.

The principle, performance characterization and research progress of nonlinear optical limiting materials
LV Ze, FANG You, FENG Tiao, ZONG Nan, LI Yun-fei, ZHANG Shen-jin, XIE Zheng, PENG Qin-jun
2022, 15(4): 625-639. doi: 10.37188/CO.2021-0195
Abstract:

Laser protection materials are of great significance in protecting human eyes and optical components from strong laser pulses. Among them, solid optical limiting materials based on the principle of nonlinear optics will be the main carriers for laser protection. This article introduces the research background, working mechanism, parameters and testing techniques of optical limiting materials, and reviews the research progress of various optical limiting materials with practical prospects, including inorganic semiconductor materials, conjugated organic polymers, inorganic metal clusters, carbon nanomaterials, and two-dimensional materials. And the development prospects of optical limiting materials are discussed.

Research progress on nonlinear optics of polyvinylidene fluorid and its copolymers films
LIU Yong, LIU Wei-guo, NIU Xiao-ling, HUI Ying-xue, DAI Zhong-hua, WANG Zhi-heng, GUO Wen-hao
2022, 15(4): 640-659. doi: 10.37188/CO.2021-0191
Abstract:

Polyvinylidene fluoride (PVDF) and its copolymers films have been extensively used in photoelectric functional devices such as photoelectric conversion, optical regulation, optical switch. They are the most important polymeric ferroelectricity materials with excellent electro-active properties, high diffraction efficiency and significant nonlinear optical effect. We summarize the progress in nonlinear optical effect of polyvinylidene fluoride and its copolymers films both in domestic and foreign research within the last several years. We illustrate that the development direction of the films will be nanoscale-doping, blending modification and ultrathin. The nonlinear optical properties should be investigated by the first-principle and photonic band gap calculations, and measured by the means of the high sensitivity Z-scan, Marker fringe combing with ellipsometry. This study can provide an insight for the development and utilization for polyvinylidene fluoride and its copolymers films in future.

Original Article
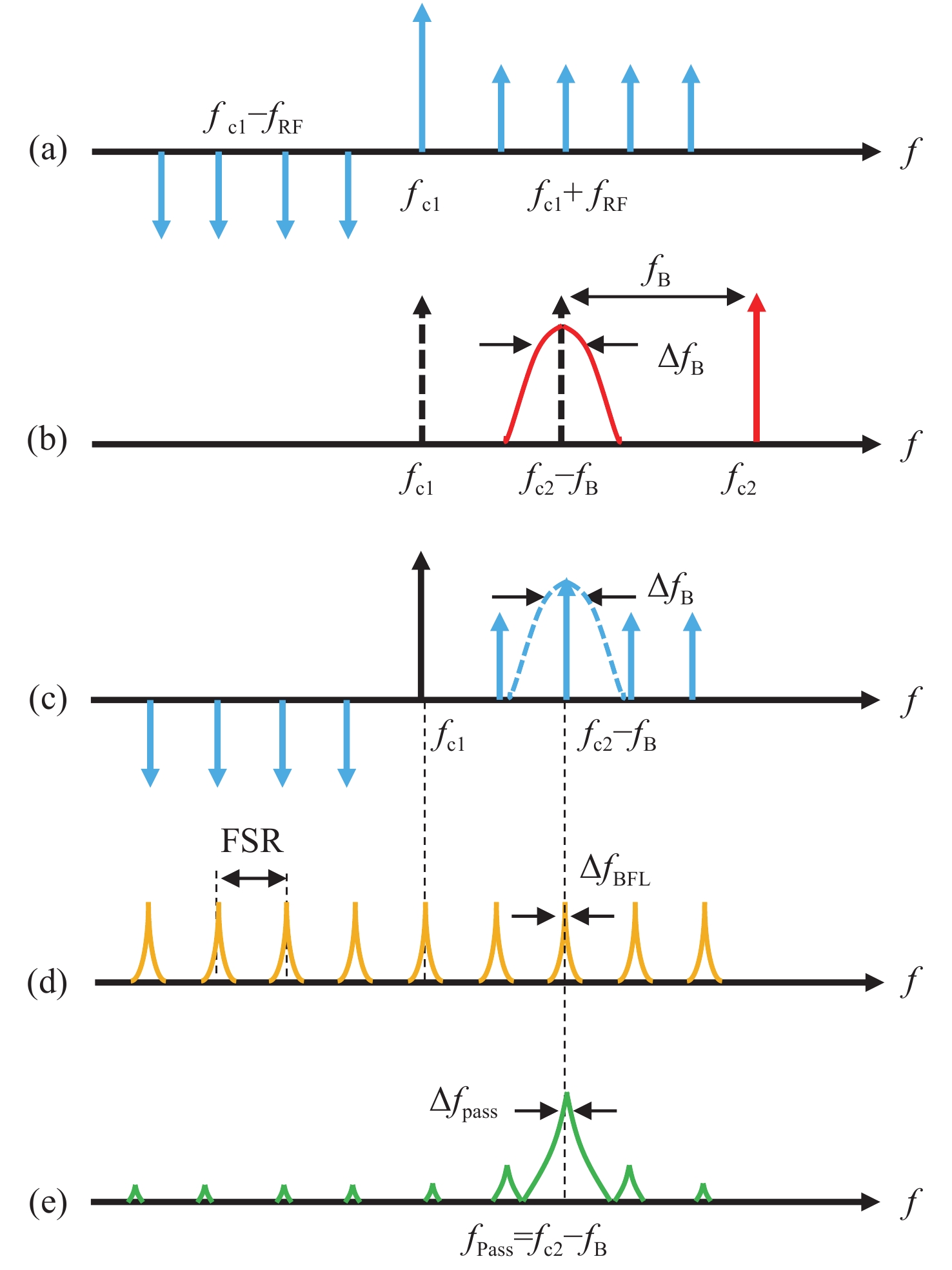
Tunable narrowband microwave photonic filter based on brillouin fiber oscillator
YOU Ya-jun, XU Xin, WANG Lin-yi, FENG Liu-yan, LIU Yi, GENG Wen-ping, HE Wen-jun
2022, 15(4): 660-667. doi: 10.37188/CO.2022-0057
Abstract:

In order to make sure a microwave photonic filter both have wide tuning range and high frequency selectivity, a microwave photonic filter with a wide tuning range and narrow filter bandwidth based on a Brillouin oscillator is proposed and verified for the first time. The core of the filter is a Brillouin fiber oscillator with a cavity length of 10 m, and the stimulated Brillouin scattering pump and optical carrier signal are provided by two different tunable lasers. After the Brillouin gain spectrum interacts with the optical modulation sideband, the Brillouin fiber oscillator is used to narrow the spectral linewidth to realize narrowband microwave photonic filtering. By changing the pump wavelength, the filter passband can be tuned stably. The experimental results show that the microwave photonic filter can be stably tuned in the frequency range of 0−20 GHz. The out-of-band rejection ratio is found to be about 20 dB, and its 3-dB bandwidth and maximum Q value are 6.2 kHz and 3.222×106, respectively.To the best of our knowledge, this is the highest value of a high-Q single-passband MPF reported to date. At the same time, the MPF has the advantages of wide tunability, high side mode suppression and a simple structure.

Analysis of photoelectric characteristics of a light-damaged schottky perovskite detector
QU Jia-yi, WANG Yun-peng, SUN Jun-jie, CHEN Fei, ZHAO Dong-xu, TIAN Can-can
2022, 15(4): 668-674. doi: 10.37188/CO.2021-0196
Abstract:

To understand the effects of femtosecond lasers on the optical performance of the photodetectors, the damage characteristics of a CsPbBr3 back-to-back Schottky photodetector irradiated by femtosecond pulses and its photoelectric performance under various laser energy densities were evaluated. A CsPbBr3 microcrystal film on the ITO interdigital electrode was deposited by chemical vapor deposition and a back-to-back Schottky type all-inorganic perovskite photodetector was prepared. The CsPbBr3 photodetector was irradiated by a Ti:Sapphire femtosecond laser with a pulse width of 35 fs. The damage morphology of the CsPbBr3 polycrystalline film under different laser energy densities was observed using a microscope, and the photoelectric performance of the Schottky-structure perovskite photodetector damaged under different energy densities was evaluated. Results suggest that the damage threshold of the self-made all-inorganic metal halide Schottky photodectector is as high as 2.1 W/cm2, and when the sample is slightly damaged, the photoelectric characteristics of the sample are improved to a certain extent and the spectral responsivity is broadened by 50 nm. As part of the film is heated off, the sample still maintains a certain level of detection performance.

Fusion of infrared and visible light images based on visual saliency weighting and maximum gradient singular value
CHENG Bo-yang, LI Ting, WANG Yu-lin
2022, 15(4): 675-688. doi: 10.37188/CO.2022-0124
Abstract:

In order to effectively integrate the spectral saliency information of infrared and visible light images and improve the visual contrast of the fused images, a fusion method of infrared and visible light images based on weighted visual saliency and maximum gradient singular value is proposed in this paper. Firstly, the new algorithm uses the rolling guidance shearlet transform as a multi-scale analysis tool to obtain the approximate layer components and multi-directional detail layer components of the image. Secondly, for the approximate layer components that reflect the energy characteristics of the image subject, visual saliency weighted fusion is used as its fusion rule. This method uses the saliency weighted coefficient matrix to guide the effective fusion of spectral saliency information in the image, and improves the visual observation of the fused image. In addition, the principle of maximum gradient singular value is used to guide the fusion of detail layer components. This method can restore the gradient features hidden in the two source images to the fused image to a great extent, so that the fused image has clearer edge details. In order to verify the effectiveness of this algorithm, we have adopted five groups of independent fusion experiments. The final experimental results show that this algorithm has higher contrast and richer edge details. Compared with the existing typical methods, the objective parameters such as AVG, IE, QE, SF, SD and SCD are improved by 16.4%, 3.9%, 11.8%, 17.1%, 21.4% and 10.1%, respectively, so it has better visual effect.

Brightness correction and color restoration of seabed image obtained by active optical detection
LIU Rong-tao, LIU Jia-hang
2022, 15(4): 689-702. doi: 10.37188/CO.2021-0211
Abstract:

Active optical imaging detection is an important method for seabed topography and environment detection, which is widely used in ocean exploration. However, due to the attenuation effect of light in seawater, the optical images often suffer uneven illumination, color distortion and low contrast. According to the property of underwater active optical imaging, an underwater image enhancement method based on relative radiometric correction is proposed in this paper. The procedure is divided into brightness compensation and color restoration. In brightness compensation, according to the imaging characteristics and radiation attenuation mechanism of a point light source, the relative radiation correction is used to compensate for the channels of underwater images. This stage eliminates the brightness distortion caused by an uneven light source, varying optical paths and so on. In the color restoration, adaptive compensation and rough color balance are performed first on the red channel. Then, the Retinex model is used to restore colors. The real seabed images are used for experiments. The results show that the enhanced images by the proposed method have uniform brightness and natural look. Compared with the other methods, the results of the proposed method are better overall both subjectively and objectively. At the same time, the method proposed in this paper does not need the properties of light source, camera and others. Only the real detection images themselves are used for correction, and achieve better adaptability.

Through-focus scanning optical microscopy measurement based on machine learning
LI Guan-nan, SHI Jun-kai, CHEN Xiao-mei, GAO Chao, JIANG Xing-jian, CUI Cheng-jun, ZHU Qiang, HUO Shu-chun, ZHOU Wei-hu
2022, 15(4): 703-711. doi: 10.37188/CO.2022-0009
Abstract:

Micro-Electro-Mechanical Systems (MEMS) have the characteristics of miniaturization and high integration. As the high aspect ratio of MEMS increases, the measurement of MEMS feature size faces greater challenges. Through-focus Scanning Optical Microscopy (TSOM) technology is a high-precision and nondestructive optical measurement method. TSOM images are captured along the scanning direction by collecting a set of defocused images and the size information of the structure is extracted from TSOM images by the library matching method. This method is highly sensitive and suitable for nano-scale structure measurements, but it is difficult to build a database for micron-scale features and is susceptible to environmental interference. In this paper, a TSOM optical system is established and traditional optical microscopy is used to collect a set of defocused images. The TSOM’s feature vector set is obtained by the image feature extraction method and is combined with machine learning to establish MEMS groove regression prediction models with different feature sizes. The results show that the above method can achieve nano-scale high precision measurement of a MEMS groove width and the single point repeatability measurement has great performance. The Relative Standard Deviation (RSD) of 2 μm width is about 1%, and the RSD of 10 μm and 30 μm width are respectively lower than 0.2% and 0.35%. This method has very high application prospects for micron MEMS groove structure measurement.

Measurement of Sm in rare earth mineral soil using laser-induced breakdown spectroscopy
LIU Xiao-liang, SUN Shao-hua, MENG Xiang-ting, LI Xiao-yan, LIU Yun-hai
2022, 15(4): 712-721. doi: 10.37188/CO.2022-0042
Abstract:

This paper aims to meet the new requirements of modern analytical and testing technology development, and to promote the application of Laser-Induced Breakdown Spectroscopy (LIBS) in the field of element analysis, especially for the measurement of rare earth element in soil. A LIBS system combined with calibration curve method was used to quantitatively analyze samarium (Sm) in the soil of Bayan Obo rare earth mining region. Firstly, the samples containing 1%, 5%, 10% and 20% Sm2O3 were prepared by Standard Addition Method (SAM) with the soil of national standard material GBW07402a as the base. Secondly, through analyzing the substrate excited by different laser pulse energy parameters, the influence of laser pulse energy parameters on the spectral line intensity and Signal to Back Ratio (SBR) was researched, an optimum laser pulse energy parameter was finally selected for the next measurement. Thirdly, in order to get and study the linearity of the calibration curve constructed between the peak area and the Sm concentration, the original spectra data were processed with multiple peak Lorentz fitting method without background subtraction (MFM) and Concatenation-based Integration Method (CIM) with background retention, respectively. Finally, according to the calibration curve, the concentration prediction was carried out, and the detection performance of LIBS for Sm in soil samples of rare earth mining area was preliminarily evaluated. The results show that the matrix effect of the soil can significantly broaden the emission lines of Sm element, which makes it impossible to distinguish them from each other. However, the effect of the soil matrix on sodium (Na), potassium (K), Titanium (Ti) and iron (Fe) is much weaker than that on Sm. By comparing the spectral region of interest, the 410 nm-band and 470.44 nm emission lines were identified and selected as the analysis lines, and subsequently used for quantitatively analysis. Results show that calibration curves for Sm element constructed by the peak area and concentration have good linear correlations and most of the linear relationships of the regression coefficients (R2) for the Sm emission lines are better than 0.99. Compared with the results by using MFM, CIM could obtain better linear correlation, and the maximum of was 0.99927 for the 410 nm-band. The better analytical predictive skill of LIBS measurement by using the leave-one-out method with CIM data was found as well, the relative errors of the prediction for both the analysis lines were all within 1% for the 3# sample with the Sm concentration of 4.310%. The achievements of this study demonstrate that the LIBS spectral analysis is capable of monitoring special elements in the rare earth mineral sample, which meets new requirements of modern analysis technology, and provides an experimental basis for the development of portable rare earth element detector as well.

Electrostatic discharge failure characteristics of oxide vertical cavity surface emitting lasers
ZHANG Yu-qi, KAN Qiang, ZHAO Jia
2022, 15(4): 722-730. doi: 10.37188/CO.2021-0226
Abstract:

Oxide Vertical Cavity Surface-Emitting Lasers (VCSELs) are widely used in data communication. However, VCSELs are sensitive to ElectroStatic Discharge (ESD), which is one of the main reasons for their failure. It is difficult to identify the root cause of this problem. Therefore, 3 different ESD models including Human Body Model (HBM), Machine Model (MM) and Charge Device Model (CDM) and Electrical OverStress (EOS) shocks were applied to carry out the failure analysis of oxide VCSELs. Among them, voltage shocks of different polarities were used for HBM while reverse I-V, forward L-I-V scan, emission microscopy (EMMI) and Transmission Electron Microscopy (TEM) were used for characterization. The results show that different ESD models show significantly different damage voltage thresholds, and the oxide VCSEL is susceptible to damage in the HBM and MM models but insensitive in the CDM model. Defect characteristics associated with ESD failure were found including increased reverse leakage, degradation of optical output power, and bright spots in the EMMI. TEM was the most direct and effective method where different ESD events showed different defect sizes and locations. These research results are of great significance to confirm whether the failure mode is caused by ESD and to judge the specific ESD models in detail.

Enhancement of terahertz absorption spectrum based on the angle multiplexing of the dielectric metasurface
LI Xiang-jun, MA Chan, YAN De-xian, QIU Guo-hua, ZHAO Yang, YANG Ji, GUO Shi-hui
2022, 15(4): 731-739. doi: 10.37188/CO.2021-0197
Abstract:

The rapid detection and identification of organic macromolecules can be realized by using the unique fringerprint spectrum of the terahertz band, but the measurement of terahertz absorption spectrum of trace analyte is still challenging. We proposed a detection scheme of enhancement of terahertz absorption spectrum for trace organic analyte based on angle multiplexing of the dielectric metasurface. The substrate and the cross-unit structure of metasurface are both high-resistance silicon which has high-Q resonances. The resonance frequency of the metasurface under terahertz incident with different angles can cover 0.50−0.57 THz. When a lactose film with the thickness of 0.5−2.5 μm as analyte is placed on the metasurface, the amplitude of the resonance peak corresponding to each incident angle changes greatly with the absorption spectrum of the analyte. The enhanced absorption spectrum built by the resonance frequencies envelope is 82.59 times larger than that without the cross-unit structure. The simulation results show that the metasurface has great potential to enhance the terahertz absorption spectrum through angle multiplexing, and it can be used to detect trace organic substances with different characteristic peaks after optimized design.

Film thickness uniformity of deep ultraviolet large aperture aspheric mirror
PAN Yong-gang, LIN Zhao-wen, WANG Ben, FU Xiu-hua
2022, 15(4): 740-746. doi: 10.37188/CO.2022-0005
Abstract:

As an important parameter of high-precision optical films, thickness uniformity plays a vital role in their performance. Large-size high-precision reflective films have especially high requirements for thickness uniformity. In this paper, the efficiency and accuracy of the uniformity correction of thin films are greatly improved by studying the emission characteristics and film thickness distribution of the evaporation source, combining Mathcad software to establish precise mathematical and physical models, writing automatic programs, and simulating the correcting mask shape. Through this method, an aspherical deep ultraviolet reflector with a diameter of 320 mm is prepared on public autobiographical planetary evaporation deposition equipment. The average reflectance at 240−300 nm ultraviolet waveband is greater than 97.5%, and the uniformity is better than 0.5%. This research provides a theoretical basis and technical support for the uniformity correction of large aperture aspheric films.

Aberration coupling characteristics of axial and lateral misalignments of off-axis three-mirror telescopes
BAI Xiao-quan, GUO Liang, MA Hong-cai, XU Bo-qian, JU Guo-hao, XU Shu-yan
2022, 15(4): 747-760. doi: 10.37188/CO.2021-0164
Abstract:

To ensure the imaging quality of the off-axis three-mirror space telescope during the ground adjustment and on-orbit adjustment stages, we reveal the coupling characteristics of the effect of the axial misalignment and the lateral misalignment on aberration based on the Nodal aberration theory from the internal mechanism level. This paper focuses on the compensation relationship generated by the coupling characteristics of two types of misalignments: (1) axial misalignment compensates for lateral misalignment, which reveals a type of working condition where the system image quality may be at a local extreme during the alignment process on the ground; (2) lateral misalignment compensates for axial misalignment. A compensation strategy wherein astigmatisms and comas introduced by in orbit lateral misalignment can compensate for astigmatisms and comas induced by axial misalignment is proposed (defocus cannot be corrected). Taking the off-axis three-mirror system in the laboratory as an example, the accuracy of the analytical relationships can be verified. Simulations and experiments have proven that the imaging quality of the system may reach the diffraction limit (1/14λ), but the system’s image quality is at a local minimum in the presence of both axial and lateral misalignment. When the telescope is misaligned in orbit and the defocus is small, the system image quality can be corrected by properly aligning the lateral misalignment first. The RMS wavefront error after compensation changes less than 0.02λ compared with the design state (the best state of installation and alignment).

Optical design of space gravitational wave detection telescope
LI Jian-cong, LIN Hong-an, LUO Jia-xiong, WU Yan-xiong, WANG Zhi
2022, 15(4): 761-769. doi: 10.37188/CO.2022-0018
Abstract:

In space gravitational wave detection, the telescope is an important part of the space laser interferometry system. The wavefront error at the exit pupil of the telescope is coupled with the Tilt-To-Length (TTL) noise, which becomes the main source of noise in space gravitational wave detection. Firstly, based on the interference model between a flat-top beam and a Gaussian beam, the Fringe Zernike polynomial is used to characterize the wavefront error at the exit pupil of the telescope, and the LISA Pathfinder (LPF) signal is used to analyze the coupling mechanism of the wavefront error at the exit pupil and the TTL noise. Secondly, the Monte Carlo analysis method is used to study the influence of the proportion of low-order aberrations on the TTL coupling noise under different numerical wavefront errors, and determine the low-order aberration proportions which meets the requirements of TTL coupling noise control at the exit pupil in the design of the telescope optical system under different numerical wavefront errors. Finally, based on the above theoretical analysis results and the aberration control requirements, the optical design of the space gravitational wave detection telescope is completed. The diameter of the entrance pupil of the telescope is 200 mm, and the RMS value of the wavefront error at the exit pupil is 0.01908λ. The proportion of low-order aberrations is not higher than 50%. The analysis results show that the TTL coupling noise does not exceed 8.25 pm/μrad when the beam jitter is within ±300 μrad. Through tolerance analysis, the maximum TTL coupling noise is determined to be 15.50 pm/μrad, which meets the requirements of space gravitational wave detection.

Snapshot imaging spectrometer for mobile phone
TIAN Jiu-yi
2022, 15(4): 770-779. doi: 10.37188/CO.2021-0209
Abstract:

At present, the mobile camera has the ability to obtain imaging information in the space (x-y direction) and depth (z direction) dimensions while the acquisition of spectral information has been stuck in RGB tricolor. Limited by the size of the mobile platform, the traditional imaging spectrometer is difficult to be embedded. Based on the integrated manufacturing technology of multi-channel array filters, micro-lens array imaging and integration, this paper completes the overall design of the system, the design and manufacture of the key components and overall assembly. The spectral imaging is verified experimentally. The overall physical size of the system is less than Φ6 × 6 mm, the spectral resolution is 8nm, and the spectral range is 0.53−0.68μm. The experimental results show that the spectral curves of any part of the object can be obtained by imaging the object with different colors, which verifies the design index of the snapshot spectrometer. With the basic conditions of embedding the technology into mobile phones, the system is expected to promote the integrated applications of imaging spectrometers.

Uncertainty analysis and evaluation of a high-precision radiative heat-flux meter
ZHENG Xiang-yuan, YE Xin, LUO Zhi-tao, WANG Kuo-chuan, SONG Bao-qi
2022, 15(4): 780-788. doi: 10.37188/CO.2022-0023
Abstract:

In order to meet the requirements of long and highly precise heat flux measurement under laboratory conditions, a new radiative heat flux meter was developed based on the principle of electrical substitution measurement. The radiative heat flux meter can be traced to the International System of Units through self-calibration. Firstly, the system structure of the radiative heat flux meter is briefly described. Combining with the measuring principle of the radiative heat-flux meter, the measurement uncertainty of nine uncertainty components and their combined standard uncertainty in the process of radiative heat-flux meter self-calibration are analyzed and calculated. Then, the uncertainty of a radiometric heat-flux meter is verified by direct comparison with a standard detector calibrated by the National Institute of Metrology of China. Finally, according to the experimental data and analysis results, this paper provides a reference for the optimization design of the heat-flux meter. The experimental results show that the relative standard uncertainty of the radiative heat-flux meter is better than 0.26%, and the normalized error is 0.60, which verifies the validity of the uncertainty evaluation results. The experimental results will guide the development of radiative heat flow meters in the next stage and further improve its performance.

Optimization design and test of a high-precision measuring device of liquid refractive index based on the method of minimum deviation angle
FU Xing-li, FENG Jie, FAN Xiao-hui, PAN Meng-yun, WEI Qiu-ye
2022, 15(4): 789-796. doi: 10.37188/CO.2022-0064
Abstract:

For high-precision refractive index measurements of amorphous fluids, the minimum deviation angle method was used to design a novel thermostatic hollow trigonal prism device. The optical path and thermostatic compenents of the device are precisely designed. The device can be used not only to measure the refractive index of liquids, but also to quantify the measurement results and uncertainties. Firstly, the precise design and machining of the optical plane helps to precisely control the measurement light. Secondly, the tortuous hollow tube inside the thermostatic jacket is designed, which allows temperature fluctuations and uniformity of the liquid to be sufficient for high-precision refractive index measurements. Finally, the device is applied to measure a liquid’s refractive index, and the measurement uncertainty of each influence factor is quantitatively analyzed. The experimental results show that the refractive index measurement of three liquids, namely water, isooctane and tetrachloroethylene, could achieve an accuracy of 10−7 at 10−5 of uncertainty. Thus, the device provides a method for highly-precise measurements of the refractive index of liquids.

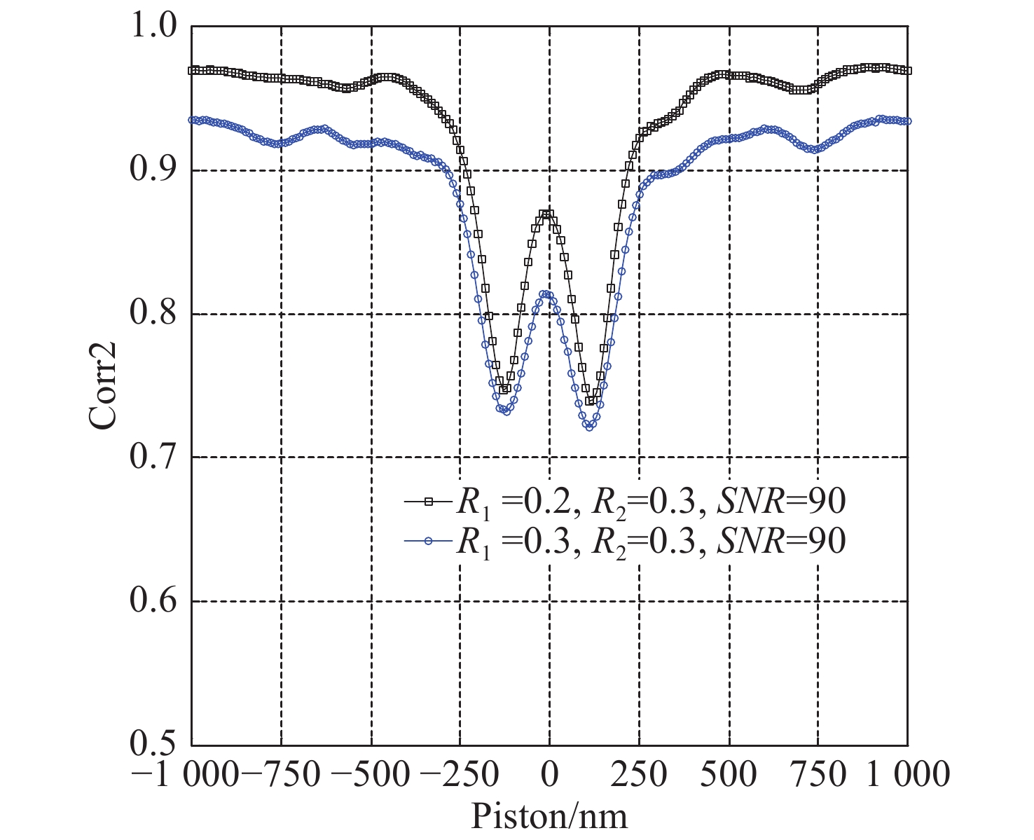
A new co-phasing detection technology of a segmented mirror based on broadband light
LI Bin, YANG A-kun, ZOU Ji-ping
2022, 15(4): 797-805. doi: 10.37188/CO.2021-0234
Abstract:

Considering that the aperture of a monoblock telescope is limited in size, to build an aperture telescope that is greater than ten meters, the technology of segmented mirrors should be used. Therefore, the co-phasing detection technology of segmented mirrors has become the key technology in the segmented process and in maintaining the mirror quality. To solve the problem that the broadband method demands a long time consuming and the narrowband method has a small range in the most widely accepted broadband and narrowband shack Hartmann method, a new method is proposed combining the incoherent and coherent diffraction patterns of broadband light (400−700 nm) to realize coarse co-phasing of 250 nm precision and fine co-phasing of 10 nm precision. When a segmented mirror is coarse co-phasing, the incoherent diffraction pattern of two hale circular holes is used as a template and white light is used as the light source. The cross-correlation algorithm is used to calculate the value of cross-correlation coefficient, and then it can achieve the unlimited range and a detection precision of 0.25 μm by setting a reasonable threshold value for the cross-correlation coefficient. When segmented mirror is fine co-phasing, a disk pattern of white light instead of multiple coherent diffraction patterns with different piston errors is used as a template to achieve a range of 0.27 μm and a detection precision of 0.01 μm. The theoretical and simulation results show that the detection range is the range of actuator and the measurement accuracy is less than 10 nm. Both the theoretical analysis and simulation show that this method is suitable for the detection of a coarse and fine co-phasing of segmented mirror.

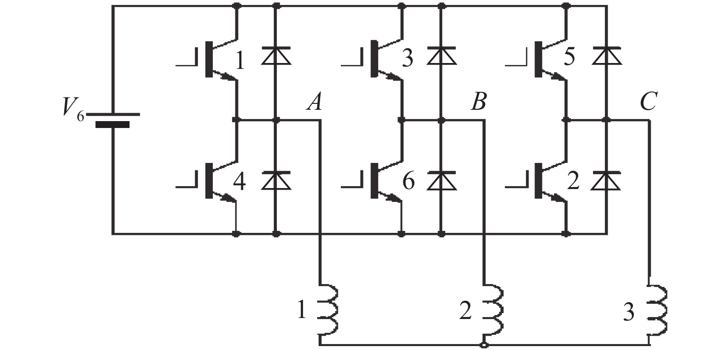
Design and verification of brushless DC motor drive control
LI Yu-xi, DENG Yong-ting, ZHAO Jin-yu, ZHANG Liu
2022, 15(4): 806-811. doi: 10.37188/CO.2022-0112
Abstract:

In this paper, the drive control circuit using C8051F120 and CPLD single chip microcomputer is optimized and designed based on the performance test of brushless DC motor. By using the minimum torque ripple control method of PWM_ON, both the speed and position closed-loop control of brushless DC motor are realized. The experimental results show that the designed control system has the characteristics of fast response and high station accuracy. The speed fluctuation is less than 7% at low speed of 1°/s, and the accuracy of large angle position step is less than 1 code. The proposed method has realized wide speed range and high precision control of brushless motor and the effectiveness of the drive and algorithm is verified.

Analysis of the relationship between the mode shapes of a landmine’s upper casing and its laser speckle interference signal
ZHANG Xiao-qing, WANG Chi, LI Jin-hui, LUO Xin-yu, YU Ying-jie
2022, 15(4): 812-824. doi: 10.37188/CO.EN.2022-0001
Abstract:

The mapping relationship between the mode shapes of a plastic landmine’s upper casing and its laser speckle interference signal was studied. The mode shape function of a landmine’s upper casing is established according to the vibration equation of its thin circular plate. Then, based on the principle of laser shearing speckle interference and the time-average method of a CCD camera, we mapped the out-of-plane displacement of the mode shape to the phase of the interference laser. The study shows that the different mode shapes of the landmine correspond to the unique Bessel fringes. Furthermore, the Bessel fringes of two modes are simulated, and the corresponding experiments were carried out. Both the numerical and experimental results confirm the theoretical conclusions, the research in this paper can provide theoretical evidence for realizing the rapid scanning technology of acoustic-optics landmine detection.

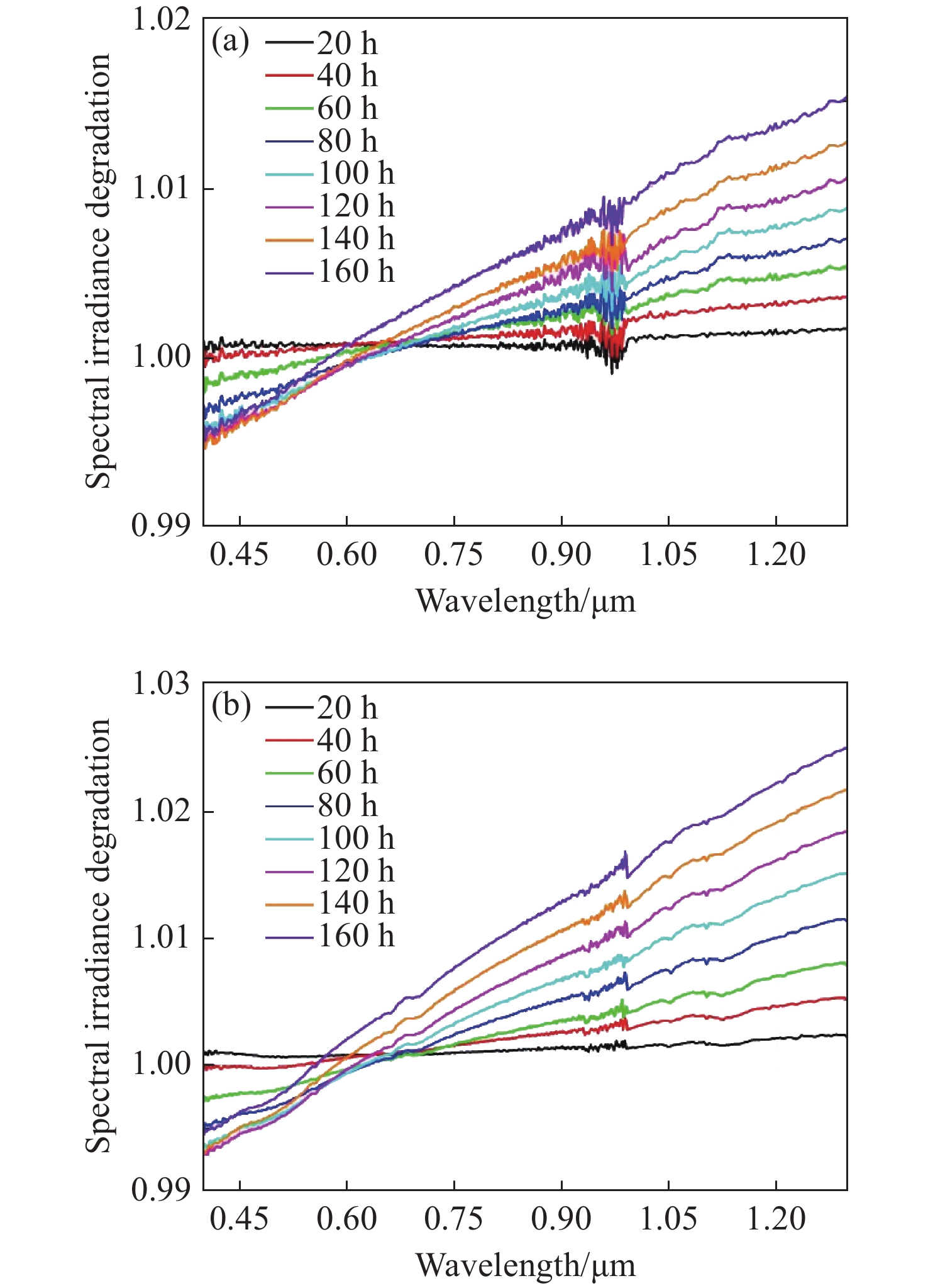
Spectral irradiance degradation model of halogen tungsten lamps at wavelength from 400 nm to 1300 nm
ZHANG Ya-chao, YE Xin, XIA Zhi-wei, SUI Long, FANG Wei
2022, 15(4): 825-834. doi: 10.37188/CO.EN.2021-0011
Abstract:

Spectral irradiance degradation of a halogen tungsten lamp increases the spectral radiance uncertainty of an on-board lamp-diffuser calibrator that is composed of a lamp and a diffuser reflector. Therefore, it is necessary to investigate the degradation characteristics of the lamp to decrease the spectral radiance uncertainty. A spectral irradiance degradation model of a halogen tungsten lamp with an undetermined order at wavelengths from 400 nm to 1300 nm was proposed according to the blackbody radiation law and Weierstrass theorem. Then, the spectral irradiance degradation curve of the halogen tungsten lamp was experimentally measured, and it was fitted by different order models using the least squares method, respectively. The model order was determined as 2, which is the minimum order to satisfy the reconstruction accuracy required by the spectral radiance of the on-board lamp-diffuser calibrator. The reconstruction accuracy of the spectral irradiance degradation curve was better than 0.25% according to this two-order model, which lays a theoretical foundation to decrease the spectral radiance uncertainty of the on-board lamp-diffuser calibrator.

Investigation of stimulated Brillouin scattering in As2S3 photonic crystal fibers at the mid-infrared waveband
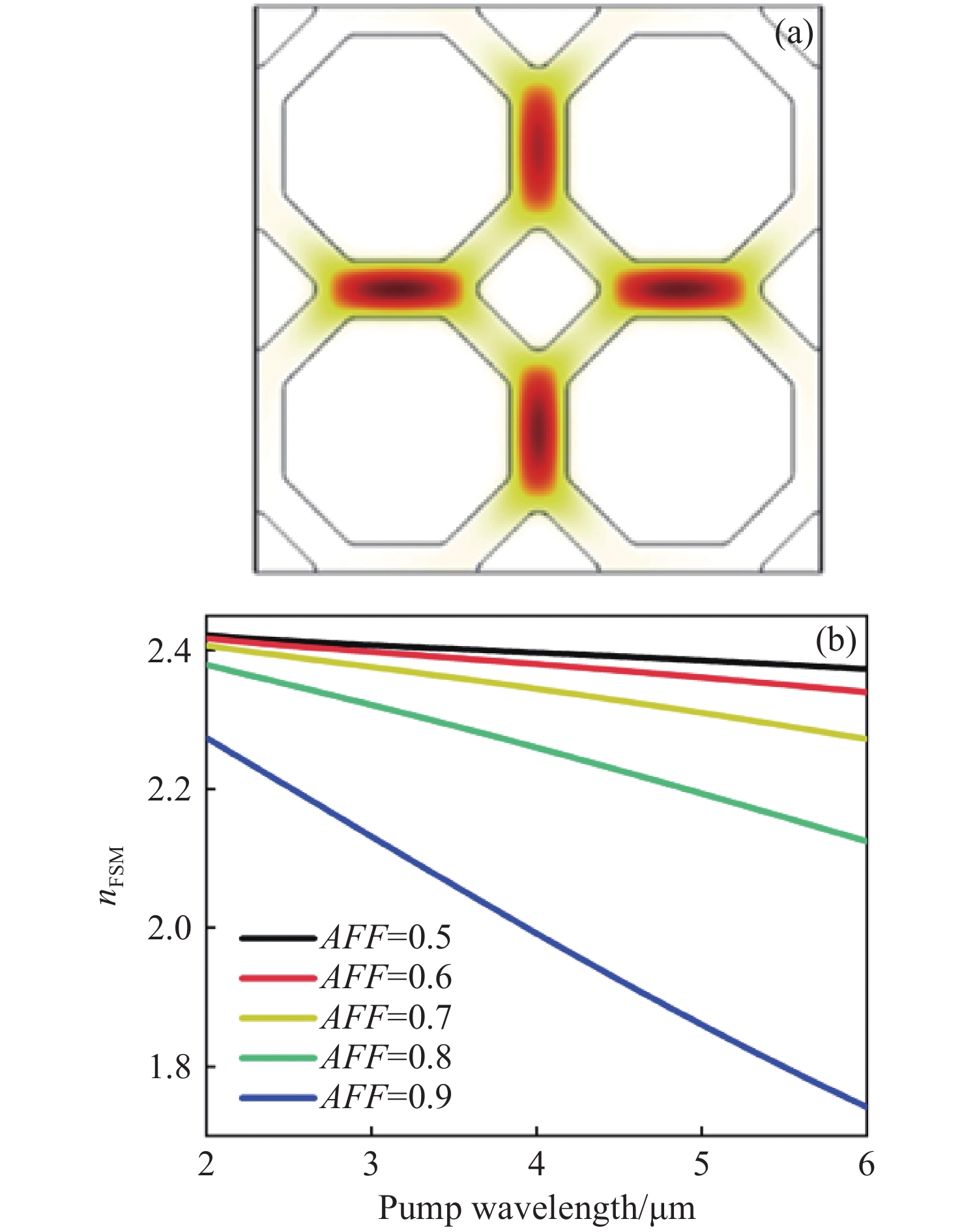
SUN Hui-jie, HOU Shang-lin, LEI Jing-li
2022, 15(4): 835-844. doi: 10.37188/CO.EN.2022-0003
Abstract:

Stimulated Brillouin scattering in As2S3 photonic crystal fibers was investigated at wavelengths of 2 μm to 6 μm by the finite element method. The numerical results indicate that the proposed photonic crystal fiber can maintain single-mode operation when the air filling factor is less than 0.6. The Brillouin frequency shift is mainly influenced by the pump wavelength and fiber structure. The Brillouin frequency shift decreases by 4.16 GHz when the pump wavelength is increased from 2 μm to 6 μm, while the Brillouin frequency shift changes by the order of megahertz when the rate of air filling increases from 0.5 to 0.6. The FWHM of the Brillouin gain spectrum depends on the phonon lifetime, and the FWHM of the Brillouin gain spectrum is nine times wider at a pump wavelength of 2 μm than that at a pump wavelength of 6 μm. The maximum Brillouin gain of the proposed fibers with air filling fractions of 0.5 and 0.6 are 2.413×10−10 m/W and 2.429×10−10 m/W, respectively. The Brillouin threshold is positively correlated with the pump wavelength for the same effective fiber length, and is 27.8% and 19.6% larger at a pump wavelength of 6 μm than that at 2 μm with air fill factors of 0.5 and 0.6, respectively. The numerical results are of great significance for the design and fabrication of optical devices or optical sensors based on the proposed fibers in the mid-infrared band.

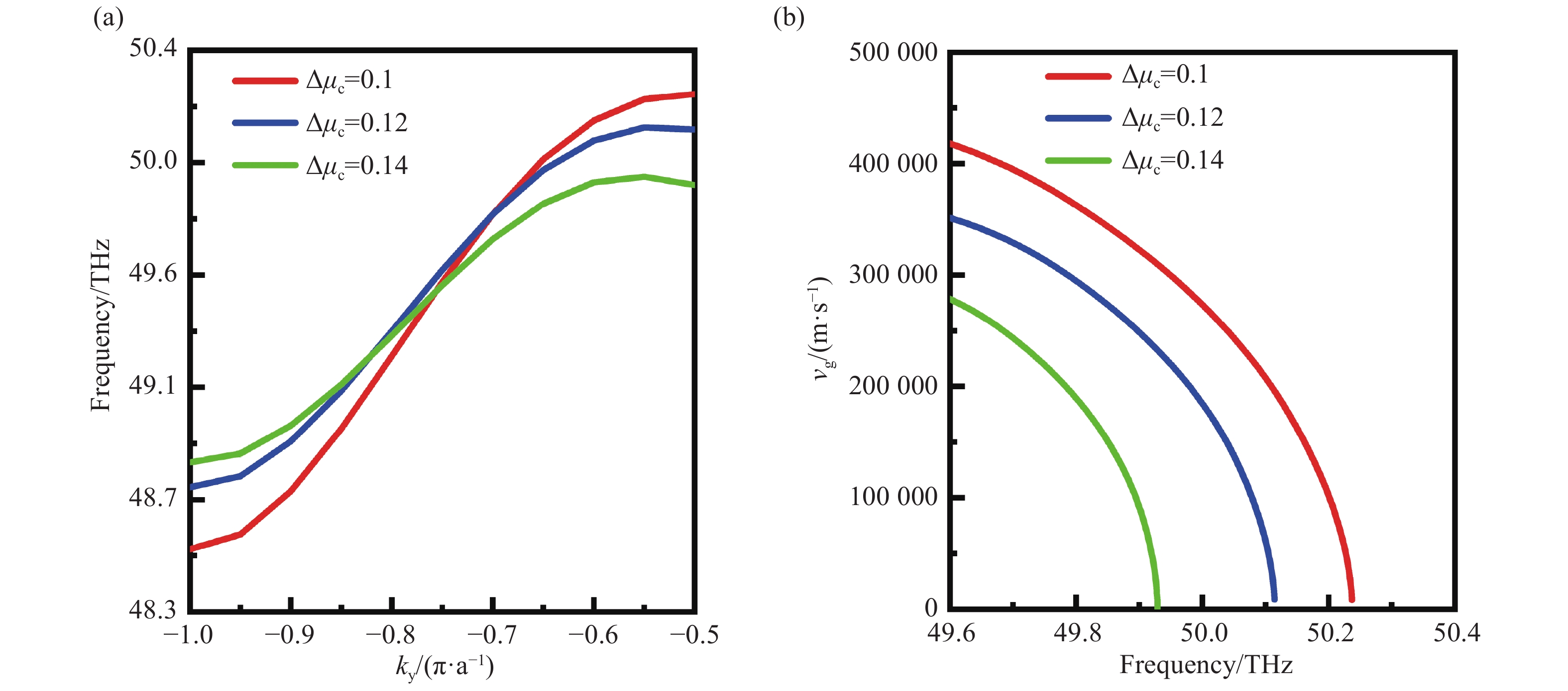
Slow light in graphene plasmonic time crystals
HE Zhen, ZHUO Li-qiang, LI Zhi, ZHUANG Feng-jiang, SU Shao-jian, LIN Zhi-li, QIU Wei-bin
2022, 15(4): 845-861. doi: 10.37188/CO.2021-0201
Abstract:

In order to control the group velocity of slow light, a graphene plasmon time crystal slow light waveguide was constructed and used for the waveguide to construct the Zigzag topology interface channel for transmission. When the structure is fixed, the external bias voltage of the graphene nano-disk can be dynamically adjusted to obtain the dispersion curves at different times. The corresponding group velocity is studied. First, the graphene plasmon time crystal is obtained by applying the bias voltages periodically varying with time to different regions of the honeycomb arranged graphene nano-disks. When the time translation symmetry of the crystal is destroyed, the crystal band gap will periodically appear and disappear with time, and exhibit the band topology effect. The Zigzag topology interface is constructed to analyze the topological interface state and its slow light mode existing at different moments. Then the corresponding group velocity is calculated according to the dispersion curve. Finally, a slow light waveguide model is established through numerical simulation, and the field enhancement process is detected at the light energy capture point of the waveguide. Simulation results show that the waveguide designed based on the graphene plasmon time crystal can achieve a good slow light transmission effect, and the group velocity of the light can be dynamically adjusted when the waveguide structure is fixed. Under slow light transmission, the light energy capture point realizes the field enhancement effect. The slow light waveguide with simple structure can be dynamically tuned, and has broad application prospects in slow light modulation devices and optical storage devices.

2022, 15(4): 862-862.
Abstract:
Baidu
map